Trenini e non solo - Milano 2025

Ben arrivato! Fai login o registrati per fruire di tutte le funzionalità del forum e del sito.
Se eri già registrato e non ti ricordi la password usa questo link per recuperare l'accesso.
Sito e forum dedicati al fermodellismo, il nostro hobby viene praticato in molte maniere diverse, tutte ugualmente valide: hai un plastico? oppure sei un collezionista? oppure un semplice appassionato? Non esitare a scrivere nel forum, tutti gli interventi sono benvenuti... Postate foto e video del vostro plastico e chiedete aiuto per ogni problema o curiosità inerente al nostro hobby.
Rinnovo/Iscrizione/Donazioni GAS TT - 2026

Luci di coda

Tutto ciò che è elettricità applicata al fermodellismo.

Moderatori: MrMassy86, adobel55, lorelay49

Messaggio
Autore
Avatar utente
sal727
Messaggi: 4065
Iscritto il: domenica 26 aprile 2015, 17:22
Nome: Salvatore
Regione: Emilia Romagna
Città: Bologna
Ruolo: Moderatore
Stato: Non connesso

Luci di coda

#1 Messaggio da sal727 »

Ho realizzato un semplice circuito per alimentare le luci di coda di un vagone in H0, girovagando in rete e leggendo vari post qui sul forum sono riuscito a farlo, considerando l'alimentazione a 5v per evitare che l'intensità delle luci varia in base alla velocità del treno e poi ho inserito un ponte diodi per fare in modo che se si inverte la polarità funziona lo stesso .
schema:
Immagine

Immagine:
Immagine

posto un breve video dove lo si vede in funzione



Avatar utente
v200
Messaggi: 10415
Iscritto il: domenica 3 maggio 2015, 18:31
Nome: roberto
Regione: Piemonte
Città: Torino
Ruolo: Moderatore
Stato: Non connesso

Re: Luci di coda

#2 Messaggio da v200 »

Ciao Salvatore,
É per un carro merci?
Roby - In ogni fermodellista in enne c'è un po di masochismo.

Avatar utente
sal727
Messaggi: 4065
Iscritto il: domenica 26 aprile 2015, 17:22
Nome: Salvatore
Regione: Emilia Romagna
Città: Bologna
Ruolo: Moderatore
Stato: Non connesso

Re: Luci di coda

#3 Messaggio da sal727 »

Si ho preso le misure di un carro merci ma non escludo che si possa anche mettere in un altro vagone rivedendo le misure,m riesci a vedere il video?
se no questo è il link diretto

Avatar utente
v200
Messaggi: 10415
Iscritto il: domenica 3 maggio 2015, 18:31
Nome: roberto
Regione: Piemonte
Città: Torino
Ruolo: Moderatore
Stato: Non connesso

Re: Luci di coda

#4 Messaggio da v200 »

No Salvatore purtroppo non si vede da " plug in non supportato"
Quindi hai fatto il circuito per il lampeggio vedendo l' integrato NE556N, bel lavoro :wink:
Con il link si vede
Roby - In ogni fermodellista in enne c'è un po di masochismo.

Avatar utente
Egidio
Messaggi: 14238
Iscritto il: giovedì 17 maggio 2012, 13:26
Nome: Egidio
Regione: Abruzzo
Città: Ortona
Stato: Non connesso

Re: Luci di coda

#5 Messaggio da Egidio »

Bravo Salvatore !! Saluti. Egidio. :cool:
Egidio Lofrano

Avatar utente
MrMassy86
Socio GAS TT
Messaggi: 15746
Iscritto il: sabato 10 novembre 2012, 15:42
Nome: Massimiliano
Regione: Toscana
Città: Capannori
Ruolo: Moderatore
Stato: Non connesso

Re: Luci di coda

#6 Messaggio da MrMassy86 »

Bel lavoro Salvatore :wink: Massimiliano :cool:
Massimiliano Paolinelli - il mio canale YouTubeViaggio in quel di Verni -Il Ponte dei Pescatori - C.L.A.F. Lucca

Avatar utente
sal727
Messaggi: 4065
Iscritto il: domenica 26 aprile 2015, 17:22
Nome: Salvatore
Regione: Emilia Romagna
Città: Bologna
Ruolo: Moderatore
Stato: Non connesso

Re: Luci di coda

#7 Messaggio da sal727 »

Grazie amici, mi sono solo limitato ad unire dei progetti già fatti e adeguarli alle mie esigenze :wink:
Per il video è la prima volta che inserisco con Youtube, devo aver sicuramente sbagliato qualche cosa [:I]

Avatar utente
fabio
Messaggi: 1369
Iscritto il: lunedì 17 dicembre 2012, 14:16
Nome: fabio
Regione: Lazio
Città: roma
Stato: Non connesso

Re: Luci di coda

#8 Messaggio da fabio »

ottimo!
il lampeggio mi sembra ottimale :wink:
Fabio - plastico H0 epoca II-III -
GFRS Gruppo Fermodellistico Romano Sogliola

Avatar utente
sal727
Messaggi: 4065
Iscritto il: domenica 26 aprile 2015, 17:22
Nome: Salvatore
Regione: Emilia Romagna
Città: Bologna
Ruolo: Moderatore
Stato: Non connesso

Re: Luci di coda

#9 Messaggio da sal727 »

Faticando e non poco ho provato a fare una lanterna di coda con la stampa,
misure: Larghezza 4mm Altezza 5mm(senza la maniglia) spessore 2mm, con micro led rosso preso sulla baia, è venuto così, meglio non sarei stato capace di farlo :?

Immagine

un po' di sbavature ma ad occhio non si notano [:I]

Avatar utente
schunt
Messaggi: 531
Iscritto il: giovedì 3 aprile 2014, 8:19
Nome: Enzo
Regione: Toscana
Città: cascina
Stato: Non connesso

Re: Luci di coda

#10 Messaggio da schunt »

Esistono tantissimi tipi di led, quelli miniatutirrati SMD e quelli da 1 mmq ed anche meno, reperibili a buon mercato on line, spacialmente quello orientale.

Le vie da percorrere sono molteplici, specialmente per quanto riguarda la parte alimentazione, per cui l'importante resta che funzionino !
Enzo

Avatar utente
roy67
Socio GAS TT
Messaggi: 6519
Iscritto il: domenica 27 gennaio 2013, 8:13
Nome: Roberto
Regione: Emilia Romagna
Città: Parma
Ruolo: Moderatore
Stato: Non connesso

Re: Luci di coda

#11 Messaggio da roy67 »

Ciao Salvatore.
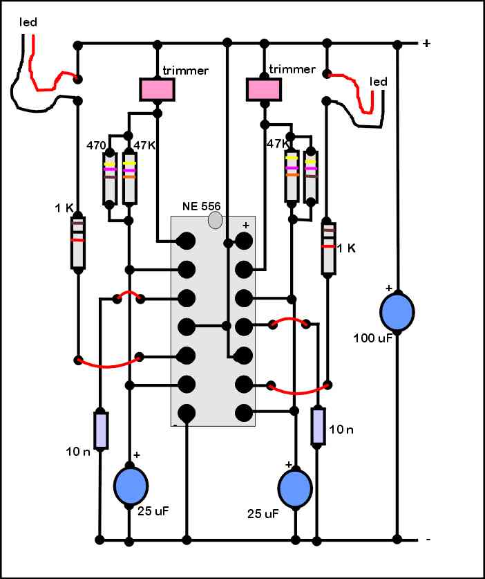
Il circuito è come quello che pubblicai su un altro forum nel 2010, con la variante che manca il "filtro per DCC" ed è alimentato a 12 Vcc, anziché 5 Vcc.

Ma i circuiti digitali non temono queste variazioni di tensione, basta calcolare bene le resistenze finali.

Questo è lo schema:

Immagine:
Immagine
69,46 KB

Con la variante che i Pin 3 ed 11 (del NE556) voglio isolati oppure alimentati tramite diodo 1N4148 altrimenti si sincronizzano ogni.. X secondi (dipende dalla carica di C1).

E questo è il video che pubblicai all'epoca (sull'altro forum).



Ovviamente il circuito vuole dotato di circuito d'ingresso (Con integrato LM 7812 e condensatore ceramico per DCC, oppure solo ponte diodi per semplice alimentazione Dc):

Immagine:
Immagine
20,84 KB
Ciao. Roberto Alinovi - L'uomo non teme ciò che in lui non c'è. (Hermann Hesse)

Avatar utente
Egidio
Messaggi: 14238
Iscritto il: giovedì 17 maggio 2012, 13:26
Nome: Egidio
Regione: Abruzzo
Città: Ortona
Stato: Non connesso

Re: Luci di coda

#12 Messaggio da Egidio »

Ottimo. Le lanterne sono davvero carine. Saluti. Egidio. :cool:
Egidio Lofrano

Avatar utente
sal727
Messaggi: 4065
Iscritto il: domenica 26 aprile 2015, 17:22
Nome: Salvatore
Regione: Emilia Romagna
Città: Bologna
Ruolo: Moderatore
Stato: Non connesso

Re: Luci di coda

#13 Messaggio da sal727 »

Ciao Roberto, io ho preso spunto da questo schema trovato in rete (ho letto anche i tuoi interventi qui sul forum)

Immagine

modificato considerando i piedini dell'NE556, se vedi sul circuito i piedini 3 e 11 non sono collegati

Immagine

provato prima sulla bread board, modificato i valori delle resistenze e dei condensatori, verificato che funzionava, ho fatto il circuito, provato a 5v e andava bene ed ho inserito il regolatore 7805, versione TO92 essendo un assorbimento piuttosto basso (ne avevo un paio in casa, ma ho visto che sulla baia si trovano ancora), per evitare variazioni di intensità del led in base alla velocità del convoglio, ed inserito infine un ponte diodi perchè funzionasse anche con l'inversione di polarità, sotto i 5v non funziona, volendo si può inserire una batteria invece che collegarlo alla rotaia con relativo interruttore e funziona a anche da fermo.

Avatar utente
v200
Messaggi: 10415
Iscritto il: domenica 3 maggio 2015, 18:31
Nome: roberto
Regione: Piemonte
Città: Torino
Ruolo: Moderatore
Stato: Non connesso

Re: Luci di coda

#14 Messaggio da v200 »

Salvatore ci stupisci :cool:
Riesci a fare oggetti veramente minuscoli, complmenti :cool:
Roby - In ogni fermodellista in enne c'è un po di masochismo.

Avatar utente
sal727
Messaggi: 4065
Iscritto il: domenica 26 aprile 2015, 17:22
Nome: Salvatore
Regione: Emilia Romagna
Città: Bologna
Ruolo: Moderatore
Stato: Non connesso

Re: Luci di coda

#15 Messaggio da sal727 »

v200 ha scritto:

Salvatore ci stupisci :cool:
Riesci a fare oggetti veramente minuscoli, complmenti :cool:

Come già accennato nel precedente post, ho faticato e non poco a realizzarlo, ho fatto prove prima e modificavo i parametri ogni volta, merito della stampante che può fare anche oggetti di piccole dimensioni ed anche un modesto merito mio [:I] che pian piano riesco a scoprire le sue potenzialità, l'estrusore ha un diametro di 4 decimi e bisogna lavorare relativamente alle sue dimensioni.
Avrei potuto acquistarli da Almorose che li vende già fatti

Immagine

però come si sa nel nostro hobby si cerca sempre l'autocostruzione, anche come pura soddisfazione personale :smile:

Avatar utente
roy67
Socio GAS TT
Messaggi: 6519
Iscritto il: domenica 27 gennaio 2013, 8:13
Nome: Roberto
Regione: Emilia Romagna
Città: Parma
Ruolo: Moderatore
Stato: Non connesso

Re: Luci di coda

#16 Messaggio da roy67 »

Ha i fatto un ottimo lavoro, Salvatore. Sopratutto per la costruzione delle lanterne.
Questa è la versione che ho fatto per carri e carrozze in scala TT o N, a batteria 1,5 Volts ( Lo schema non è mio... :wink: ) Lanterne di coda a batteria - Fonte www.scalatt.it/forum
Ciao. Roberto Alinovi - L'uomo non teme ciò che in lui non c'è. (Hermann Hesse)

Avatar utente
sal727
Messaggi: 4065
Iscritto il: domenica 26 aprile 2015, 17:22
Nome: Salvatore
Regione: Emilia Romagna
Città: Bologna
Ruolo: Moderatore
Stato: Non connesso

Re: Luci di coda

#17 Messaggio da sal727 »

Grazie Roberto, è interessante il progettino a pile, in quello che ho fatto io bisogna mettere una pila quadra da 9v, piuttosto ingombrante.
Nel mentre ho completato il carro merci, devo solamente sostituire le ruote, perchè sono di plastica (è un carro Lima) e fissare i prendi corrente.
Ho fatto un breve video dove si vede il funzionamento con le varie tensioni

https://www.youtube.com/watch?v=UmTRRTRWFJo
Ultima modifica di sal727 il domenica 19 novembre 2017, 11:35, modificato 2 volte in totale.

Avatar utente
Fulvio Zanda
Messaggi: 1347
Iscritto il: martedì 15 maggio 2012, 13:55
Nome: Fulvio
Regione: Lombardia
Città: Morengo
Stato: Non connesso

Re: Luci di coda

#18 Messaggio da Fulvio Zanda »

prendendo spunto dai vari circuiti che avete postato e quindi, grazie a tutti voi, a breve dovrei accingermi a realizzare due lanterne di coda ( pure le lanterne ).
al momento sono riuscito a ridurre alla dimensione di 4x3 mm. una foto di una vera lanterna, siccome sono ciecato a me sembra che tale piccola immagine sia abbastanza buona, la incollerò su pezzo di plastica e poi con la fresetta cercherò di ricavare le due lanterne.

Utilizzerò lo schema di Roy al quale aggiungo a monte un pseudo alimentatore stabilizzato (non ricordo se avevo utilizzato il 7812 o 7809) per alimentare una mezza ciofeca di telecamera cinese che di fatti dopo 2 ore di funzionamento manco registrava più.

vedremo quel che ne esce

Avatar utente
roy67
Socio GAS TT
Messaggi: 6519
Iscritto il: domenica 27 gennaio 2013, 8:13
Nome: Roberto
Regione: Emilia Romagna
Città: Parma
Ruolo: Moderatore
Stato: Non connesso

Re: Luci di coda

#19 Messaggio da roy67 »

Ciao, Fulvio... :D
Ti metto i video delle lanterne che postai nel lontano 2010... (perché solo allora creai un account su youtube).

Ovviamente tutto è concepito per funzionare in DCC.
All'epoca cambiai sistema, "imparando" che anche il plastico poteva funzionare in "BCD".
Da allora ho pubblicato migliaia di schemi... che, inesorabilmente, sono stati copiati e ripubblicati da chiunque...
Facendo propri quegli schemi... :wink:
Ma lasciamo perdere.... Questi i vedeo che pubblicai su "www Treno in casa" nel 2010.... :roll:







E questi i disegni e foto con cui corredai la discussione di allora... :
Allegati
schema elettrico circuito
schema elettrico circuito
Led SMD
Led SMD
Lanterna
Lanterna
DISEGNO LANTERNE.jpg
Ciao. Roberto Alinovi - L'uomo non teme ciò che in lui non c'è. (Hermann Hesse)

Avatar utente
Fulvio Zanda
Messaggi: 1347
Iscritto il: martedì 15 maggio 2012, 13:55
Nome: Fulvio
Regione: Lombardia
Città: Morengo
Stato: Non connesso

Re: Luci di coda

#20 Messaggio da Fulvio Zanda »

roy67 ha scritto:Ciao, Fulvio... :D
Da allora ho pubblicato migliaia di schemi... che, inesorabilmente, sono stati copiati e ripubblicati da chiunque...
Facendo propri quegli schemi... :wink:
Ciao Roberto e grazie

difatti mi sono pure iscritto al tuo canale youtube, e avevo visto le tue varie discussioni con i vari schemi.
per quanto riguarda copiare...beh guarda la foto in fondo del sito Sagi... è una mia foto probabilmente presa da facebook....però a dir la verità ne vado anche un po' fiero.

https://www.sagimodel.it/

ciao

Avatar utente
roy67
Socio GAS TT
Messaggi: 6519
Iscritto il: domenica 27 gennaio 2013, 8:13
Nome: Roberto
Regione: Emilia Romagna
Città: Parma
Ruolo: Moderatore
Stato: Non connesso

Re: Luci di coda

#21 Messaggio da roy67 »

Purtroppo è così Fulvio.

Pensa che il mio "circuito saldatrice" viene venduto da alcuni stand, alle fiere, per € 12,00....
Non è un problema. Quando si pubblica per gli altri... Fra loro c'è sempre quello che ne approfitta.. :wink:
Ma io continuerò a pubblicare nuovi schemi.... Gratis per tutti! :lol: :lol: :lol: :lol: :lol:
Ciao. Roberto Alinovi - L'uomo non teme ciò che in lui non c'è. (Hermann Hesse)

Avatar utente
IpGio
Socio GAS TT
Messaggi: 4215
Iscritto il: domenica 20 maggio 2018, 9:22
Nome: Giorgio
Regione: Lombardia
Città: Nerviano
Ruolo: co-amministratore
Stato: Non connesso

Re: Luci di coda

#22 Messaggio da IpGio »

Discussione riaperta in memoria di Sal727 Salvatore... buon viaggio... caro amico .

Agosto 2016. Salvatore ci ha lasciato un circuito per le luci di coda con la realizzazione delle lanterne.
L'elettronica era un'altra delle sue passioni.

Per rileggere questa discussione dall'inizio Clicca qui... .
Buona lettura...
[253]
[36] IpGio
Giorgio Nihil difficile volenti
N/TT/H0-Ep.III-IT GASTT/FIMF
IpGio I plastici di Gio https://www.gtg3b.it

Torna a “COLLEGAMENTI ELETTRICI”