Novità in scala TT (1:120) - Dicembre 2025


Ben arrivato! Fai login o registrati per fruire di tutte le funzionalità del forum e del sito.
Se eri già registrato e non ti ricordi la password usa questo link per recuperare l'accesso.
Sito e forum dedicati al fermodellismo, il nostro hobby viene praticato in molte maniere diverse, tutte ugualmente valide: hai un plastico? oppure sei un collezionista? oppure un semplice appassionato? Non esitare a scrivere nel forum, tutti gli interventi sono benvenuti... Postate foto e video del vostro plastico e chiedete aiuto per ogni problema o curiosità inerente al nostro hobby.
Rinnovo/Iscrizione/Donazioni GAS TT - 2026


Buone Feste a tuTTi

MODULO "viadotto autostradale"

I moduli del "Plastico Modulare Gruppo Appassionati Scala TT"

Moderatore: Andrea

Messaggio
Autore
Avatar utente
roy67
Socio GAS TT
Messaggi: 6519
Iscritto il: domenica 27 gennaio 2013, 8:13
Nome: Roberto
Regione: Emilia Romagna
Città: Parma
Ruolo: Moderatore
Stato: Non connesso

Re: MODULO "viadotto autostradale"

#751 Messaggio da roy67 »

Grazie Massy.

Finalmente, dopo oltre un anno, anche se il tempo a mia disposizione è poco (avere un "officina modellistica" aiuta tantissimo), sto facendo passi da "mezzo gigante"...... :D :D :D :D :D

Ecco il "viadotto autostradale" (vero e proprio, anima del modulo) svelato sotto la sottana.... Rovesciato per testare le funzioni....
L'ultima... L'autocisterna con la freccia... :wink: :wink: :wink: :wink:



Ciao. Roberto Alinovi - L'uomo non teme ciò che in lui non c'è. (Hermann Hesse)

Avatar utente
roy67
Socio GAS TT
Messaggi: 6519
Iscritto il: domenica 27 gennaio 2013, 8:13
Nome: Roberto
Regione: Emilia Romagna
Città: Parma
Ruolo: Moderatore
Stato: Non connesso

Re: MODULO "viadotto autostradale"

#752 Messaggio da roy67 »

Ma... Non solo.
Mentre il viadotto si trova sul "banco modellistico" (ancora per qualche giuorno)..
Ho approfittato per terminare (o quasi) l'ormeggio di piena linea della catenaria....
Alcune foto:
179.jpg
180.jpg
181.jpg
182.jpg
Non hai i permessi necessari per visualizzare i file allegati in questo messaggio.
Ciao. Roberto Alinovi - L'uomo non teme ciò che in lui non c'è. (Hermann Hesse)

Avatar utente
MrMassy86
Socio GAS TT
Messaggi: 15758
Iscritto il: sabato 10 novembre 2012, 15:42
Nome: Massimiliano
Regione: Toscana
Città: Capannori
Ruolo: Moderatore
Stato: Non connesso

Re: MODULO "viadotto autostradale"

#753 Messaggio da MrMassy86 »

Ottimo Roberto!!!
Massimiliano [253]
Massimiliano Paolinelli - il mio canale YouTubeViaggio in quel di Verni -Il Ponte dei Pescatori - C.L.A.F. Lucca

Avatar utente
Egidio
Messaggi: 14268
Iscritto il: giovedì 17 maggio 2012, 13:26
Nome: Egidio
Regione: Abruzzo
Città: Ortona
Stato: Non connesso

Re: MODULO "viadotto autostradale"

#754 Messaggio da Egidio »

[264] Saluti. Egidio. [51]
Egidio Lofrano

Avatar utente
roy67
Socio GAS TT
Messaggi: 6519
Iscritto il: domenica 27 gennaio 2013, 8:13
Nome: Roberto
Regione: Emilia Romagna
Città: Parma
Ruolo: Moderatore
Stato: Non connesso

Re: MODULO "viadotto autostradale"

#755 Messaggio da roy67 »

Se riesco a proseguire di questo passo riesco sicuramente a terminarlo per Novegro....
- L'autocisterna è funzionante.
- La catenaria con ormeggio è quasi terminata.
- Gli operai sono tutti al lavoro.
- L'acqua della bonifica è "quasi" a livello".

Un breve video:

Ciao. Roberto Alinovi - L'uomo non teme ciò che in lui non c'è. (Hermann Hesse)

Avatar utente
wmax53
Socio GAS TT
Messaggi: 878
Iscritto il: venerdì 15 giugno 2012, 22:03
Nome: Massimo
Regione: Lombardia
Città: Assago
Stato: Non connesso

Re: MODULO "viadotto autostradale"

#756 Messaggio da wmax53 »

Roberto e' bellissimo!!!! Complimenti
Ciao Massimo

Avatar utente
Edgardo_Rosatti
Socio GAS TT
Messaggi: 5175
Iscritto il: venerdì 28 ottobre 2011, 0:59
Nome: Edgardo
Regione: Lombardia
Città: Muggiò
Età: 61
Stato: Non connesso

Re: MODULO "viadotto autostradale"

#757 Messaggio da Edgardo_Rosatti »

Bella Roy, complimenti per il doppio ormeggio della catenaria!
ED

Avatar utente
MrMassy86
Socio GAS TT
Messaggi: 15758
Iscritto il: sabato 10 novembre 2012, 15:42
Nome: Massimiliano
Regione: Toscana
Città: Capannori
Ruolo: Moderatore
Stato: Non connesso

Re: MODULO "viadotto autostradale"

#758 Messaggio da MrMassy86 »

Ottimo lavoro Roy, la vista d'insieme si presenta molto bene :D Massimiliano [253]
Massimiliano Paolinelli - il mio canale YouTubeViaggio in quel di Verni -Il Ponte dei Pescatori - C.L.A.F. Lucca

Avatar utente
Egidio
Messaggi: 14268
Iscritto il: giovedì 17 maggio 2012, 13:26
Nome: Egidio
Regione: Abruzzo
Città: Ortona
Stato: Non connesso

Re: MODULO "viadotto autostradale"

#759 Messaggio da Egidio »

[264] Saluti. Egidio. [51]
Egidio Lofrano

Avatar utente
roy67
Socio GAS TT
Messaggi: 6519
Iscritto il: domenica 27 gennaio 2013, 8:13
Nome: Roberto
Regione: Emilia Romagna
Città: Parma
Ruolo: Moderatore
Stato: Non connesso

Re: MODULO "viadotto autostradale"

#760 Messaggio da roy67 »

Grazie ragazzi.
I lavori proseguono costantemente... Appena ho qualche minuto di tempo... :D :D :D

P.S. Grazie Ed. :lol: :lol: :lol: :lol:

Dopo aver pubblicato non so quanti disegni e schemi relativi la catenaria... Mi sentivo in "dovere" di fare un più che ottimo lavoro.
Spero di esserci riuscito... [101]
Ciao. Roberto Alinovi - L'uomo non teme ciò che in lui non c'è. (Hermann Hesse)

Avatar utente
lorelay49
Socio GAS TT
Messaggi: 3710
Iscritto il: venerdì 25 gennaio 2013, 18:32
Nome: Giuliano
Regione: Lombardia
Città: Locate di Triulzi
Ruolo: Moderatore
Stato: Non connesso

Re: MODULO "viadotto autostradale"

#761 Messaggio da lorelay49 »

Gran bel lavoro Roy aspetto con ansia Novegro per vedere il capolavoro [51] [51]
Giuliano

Avatar utente
roy67
Socio GAS TT
Messaggi: 6519
Iscritto il: domenica 27 gennaio 2013, 8:13
Nome: Roberto
Regione: Emilia Romagna
Città: Parma
Ruolo: Moderatore
Stato: Non connesso

Re: MODULO "viadotto autostradale"

#762 Messaggio da roy67 »

Novegro incombe... Bisogna iniziare a spolverare i moduli.

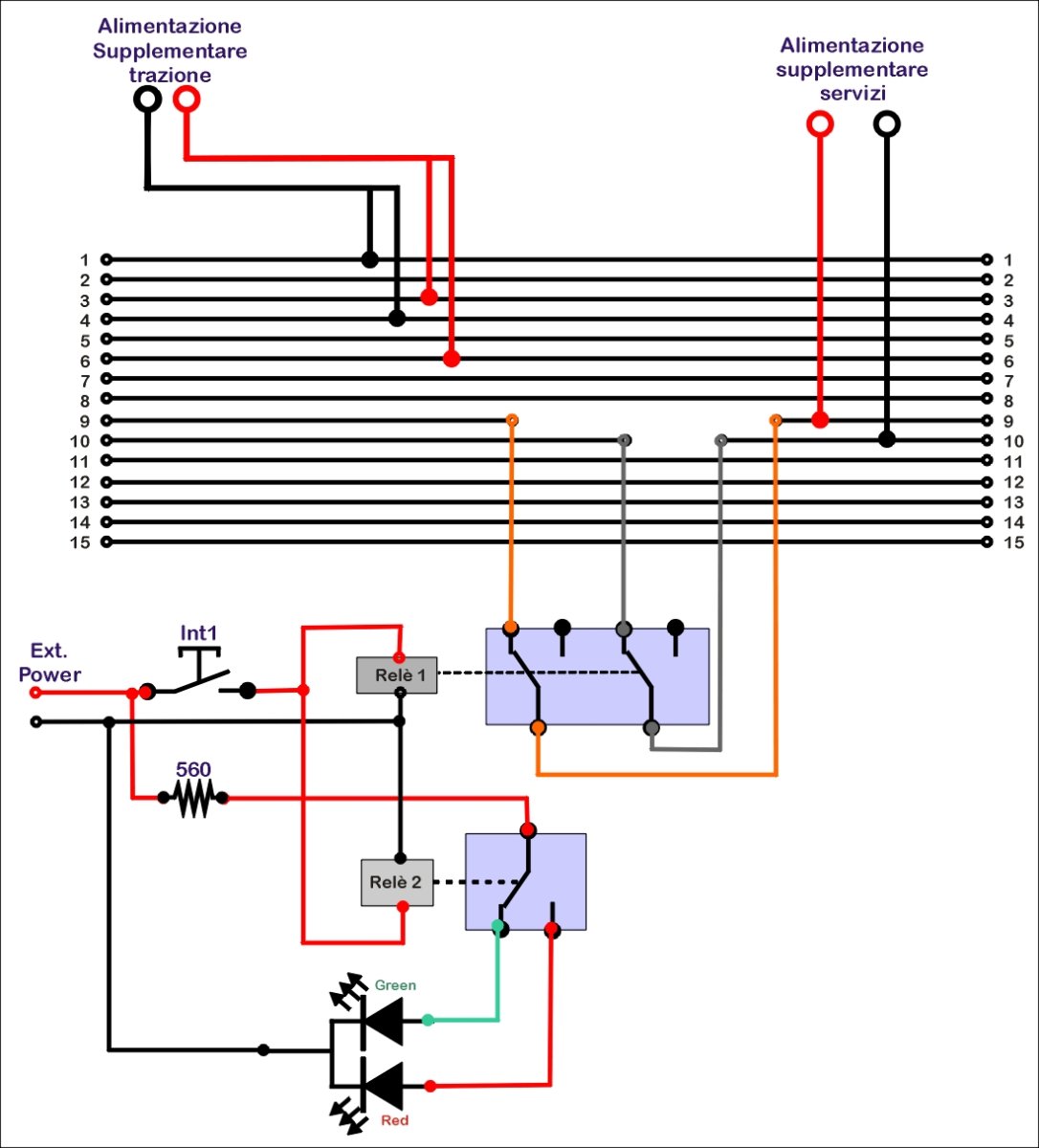
Come promesso l'anno scorso, il mio modulo, ha, finalmente funzionante, la possibilità di sezionamento trazione e sezionamento servizi.
Questo lo schema:
sezionamento servizi modulo.jpg
I test funzionali sono stati eseguiti con tester, quindi in maniera solo strumentale. Mi auguro non vi siano intoppi nel collaudo effettivo.

Come si vede dallo schema, il sezionamento è automatico ( o manuale a scelta) solo se innestati i Pin di alimentazione nelle apposite prese.
Il led spia indicherà:
- "verde": Non sezionato
- "rosso": Sezionato
Non hai i permessi necessari per visualizzare i file allegati in questo messaggio.
Ciao. Roberto Alinovi - L'uomo non teme ciò che in lui non c'è. (Hermann Hesse)

Avatar utente
58dedo
Socio GAS TT
Messaggi: 2576
Iscritto il: mercoledì 19 dicembre 2012, 17:17
Nome: Diego
Regione: Lombardia
Città: Rovellasca
Stato: Non connesso

Re: MODULO "viadotto autostradale"

#763 Messaggio da 58dedo »

complimenti O' Professore...ottimo risultato

Avatar utente
Edgardo_Rosatti
Socio GAS TT
Messaggi: 5175
Iscritto il: venerdì 28 ottobre 2011, 0:59
Nome: Edgardo
Regione: Lombardia
Città: Muggiò
Età: 61
Stato: Non connesso

Re: MODULO "viadotto autostradale"

#764 Messaggio da Edgardo_Rosatti »

Ottima variazione Roy!

ED
ED

Avatar utente
roy67
Socio GAS TT
Messaggi: 6519
Iscritto il: domenica 27 gennaio 2013, 8:13
Nome: Roberto
Regione: Emilia Romagna
Città: Parma
Ruolo: Moderatore
Stato: Non connesso

Re: MODULO "viadotto autostradale"

#765 Messaggio da roy67 »

Ragazzi... Vi voglio aiutare:
Un professore è:
Nella lingua italiana (solamente), colui che, professionalmente, opera nelle istituzioni, stipendiato, per un progetto educativo.

Un grande "suonatore" di strumento musicale, oltre ogni limite, viene definito "Maestro".
Nella religione cristiana, Gesù, professando la fede, veniva definito "Maestro".
In altre 4 religioni si trova un "Maestro"... e non un professore......

Mi predete in giro!!!! [246] [246] [246] [246] [246] [246] [246] [246] [246] [246] [246]
Ciao. Roberto Alinovi - L'uomo non teme ciò che in lui non c'è. (Hermann Hesse)

Avatar utente
Edgardo_Rosatti
Socio GAS TT
Messaggi: 5175
Iscritto il: venerdì 28 ottobre 2011, 0:59
Nome: Edgardo
Regione: Lombardia
Città: Muggiò
Età: 61
Stato: Non connesso

Re: MODULO "viadotto autostradale"

#766 Messaggio da Edgardo_Rosatti »

[99] Penso che Diego non volesse usare il termine professore in modo diverso dal complimento in sé. Lui ha sempre ammesso di non avere molta dimestichezza con i circuiti elettrici (vero Diego?) e ammira chi si intende di elettricità, mi chiede sempre come collegare i "fili" e va bene.

Penso solo che volesse farti un complimento Roy.

Ciao neh!

ED
ED

Avatar utente
roy67
Socio GAS TT
Messaggi: 6519
Iscritto il: domenica 27 gennaio 2013, 8:13
Nome: Roberto
Regione: Emilia Romagna
Città: Parma
Ruolo: Moderatore
Stato: Non connesso

Re: MODULO "viadotto autostradale"

#767 Messaggio da roy67 »

Lo so Ed.
Ci mancherebbe che Diego (o altri) mi volesse offendere.
Anche la mia era una battuta.... :D :D :D :D :D
Ciao. Roberto Alinovi - L'uomo non teme ciò che in lui non c'è. (Hermann Hesse)

Avatar utente
58dedo
Socio GAS TT
Messaggi: 2576
Iscritto il: mercoledì 19 dicembre 2012, 17:17
Nome: Diego
Regione: Lombardia
Città: Rovellasca
Stato: Non connesso

Re: MODULO "viadotto autostradale"

#768 Messaggio da 58dedo »

Errata corridge

complimenti O' Maestro...ottimo risultato

Mi scusasse se le avessi elevato il titolo, non fosse di mia intenzione offendere la sua persona [101] [99] [99] [99] [99] [104]

Avatar utente
roy67
Socio GAS TT
Messaggi: 6519
Iscritto il: domenica 27 gennaio 2013, 8:13
Nome: Roberto
Regione: Emilia Romagna
Città: Parma
Ruolo: Moderatore
Stato: Non connesso

Re: MODULO "viadotto autostradale"

#769 Messaggio da roy67 »

Ci mancheresse Messer Diego.
Non mi sono vilipeso per cotanto poco..... [246] [246] [246] [246] [246] [246] [246] [246]
Ciao. Roberto Alinovi - L'uomo non teme ciò che in lui non c'è. (Hermann Hesse)

Avatar utente
roy67
Socio GAS TT
Messaggi: 6519
Iscritto il: domenica 27 gennaio 2013, 8:13
Nome: Roberto
Regione: Emilia Romagna
Città: Parma
Ruolo: Moderatore
Stato: Non connesso

Re: MODULO "viadotto autostradale"

#770 Messaggio da roy67 »

Aggiorno, seriamente (sul serio) lo stato del modulo.
Novegro incombe.
Avevo promesso di ultimarlo... Così sarà!
Innanzitutto:

Il canale irriguo ha raggiunto il livello d'acque minimo per poter usufruirne per l'irrigazione:
183.jpg
184.jpg
185.jpg
186.jpg
Il nuovo pannello di comando sezionamento servizi o alimentazione trazione
188.jpg
Rinfoltimento erbe ed ebacce attorno l'autostrada:
189.jpg
190.jpg
Ovviamente tutto è ancora in "cantiere"... Ma mancano 20 giorni a Novegro.

La vinilica asciuga prima.... :lol: :lol: :lol: :lol: :lol: :lol:
Non hai i permessi necessari per visualizzare i file allegati in questo messaggio.
Ciao. Roberto Alinovi - L'uomo non teme ciò che in lui non c'è. (Hermann Hesse)

Avatar utente
Egidio
Messaggi: 14268
Iscritto il: giovedì 17 maggio 2012, 13:26
Nome: Egidio
Regione: Abruzzo
Città: Ortona
Stato: Non connesso

Re: MODULO "viadotto autostradale"

#771 Messaggio da Egidio »

[264] Saluti. Egidio. [51]
Egidio Lofrano

Avatar utente
saverD445
Socio GAS TT
Messaggi: 4385
Iscritto il: mercoledì 2 maggio 2012, 21:07
Nome: Valerio
Regione: Sardegna
Città: Macomer
Stato: Non connesso

Re: MODULO "viadotto autostradale"

#772 Messaggio da saverD445 »

Bel lavoro Roberto :wink:
Merita qualche birra :mrgreen:
Valerio -- Plastico H0-H0m Epoca IV-VI Il mio canale YouTube

Avatar utente
benigni99
Socio GAS TT
Messaggi: 1130
Iscritto il: domenica 10 agosto 2014, 14:42
Nome: Filippo
Regione: Toscana
Città: Firenze
Stato: Non connesso

Re: MODULO "viadotto autostradale"

#773 Messaggio da benigni99 »

Bene Roberto, ottimo avanzamento.
Filippo Benigni - Il mio canale YouTube - Il mio profilo Instagram

"Imparare a vedere è il tirocinio più lungo in tutte le arti." Edmond De Goncourt

Avatar utente
roy67
Socio GAS TT
Messaggi: 6519
Iscritto il: domenica 27 gennaio 2013, 8:13
Nome: Roberto
Regione: Emilia Romagna
Città: Parma
Ruolo: Moderatore
Stato: Non connesso

Re: MODULO "viadotto autostradale"

#774 Messaggio da roy67 »

saverD445 ha scritto: mercoledì 5 settembre 2018, 16:56 Bel lavoro Roberto :wink:
Merita qualche birra :mrgreen:
Hai avvertito gli amici milanesi?
Non vorrei mai accadesse che non ce ne sia abbastanza! :D :D :D :D :D :D

Grazie ragazzi. ma non è finita... Mancano 20 giorni... Per arrivare con la colla asciutta... :lol: :lol: :lol: :lol: :lol:
Ciao. Roberto Alinovi - L'uomo non teme ciò che in lui non c'è. (Hermann Hesse)

Avatar utente
MrMassy86
Socio GAS TT
Messaggi: 15758
Iscritto il: sabato 10 novembre 2012, 15:42
Nome: Massimiliano
Regione: Toscana
Città: Capannori
Ruolo: Moderatore
Stato: Non connesso

Re: MODULO "viadotto autostradale"

#775 Messaggio da MrMassy86 »

Ottimo lavoro Roberto :wink:
Massimiliano [253]
Massimiliano Paolinelli - il mio canale YouTubeViaggio in quel di Verni -Il Ponte dei Pescatori - C.L.A.F. Lucca

Torna a “PLASTICO MODULARE GAS TT - MODULI ULTIMATI”