Ben arrivato! Fai login o registrati per fruire di tutte le funzionalità del forum e del sito.
Se eri già registrato e non ti ricordi la password usa questo link per recuperare l'accesso.
Sito e forum dedicati al fermodellismo, il nostro hobby viene praticato in molte maniere diverse, tutte ugualmente valide: hai un plastico? oppure sei un collezionista? oppure un semplice appassionato? Non esitare a scrivere nel forum, tutti gli interventi sono benvenuti... Postate foto e video del vostro plastico e chiedete aiuto per ogni problema o curiosità inerente al nostro hobby.
Rinnovo/Iscrizione/Donazioni GAS TT - 2026

gestione vecchi motori lima per deviatoi

Tutto ciò che è elettricità applicata al fermodellismo.

Moderatori: MrMassy86, adobel55, lorelay49

Messaggio
Autore
Avatar utente
claudioredaelli
Messaggi: 404
Iscritto il: martedì 3 gennaio 2012, 16:42
Nome: Claudio
Regione: Lombardia
Città: Usmate Velate
Stato: Non connesso

gestione vecchi motori lima per deviatoi

#1 Messaggio da claudioredaelli »

ho utilizzato alcuni vecchi motori lima per deviatoi e costruito con dei relè bistabili un circuito per la segnalazione della posizione degli aghi tramite led verde/rosso e alimentato sia i motori che i relè e i led con un alimentatore stabilizzato CC12 v -10 amp. In alcuni post si afferma la convenienza di comandare i motori (senza fine corsa) a 16 volt in CA. in questo caso i relè e i led non potrebbero funzionare. Cosa mi consigliate, continuare con il circuito realizzato alimentato a 12 v in CC o escludere il problema della segnalazione sul sinottico alimentando i motori a 16 v in CA?


Claudio

Avatar utente
MrPatato76
Socio GAS TT
Messaggi: 5773
Iscritto il: lunedì 27 agosto 2012, 11:14
Nome: Roberto
Regione: Lombardia
Città: Nova Milanese
Stato: Non connesso

Re: gestione vecchi motori lima per deviatoi

#2 Messaggio da MrPatato76 »

Lascia pure la tensione continua.
Essenziale però che, indipendentemente dal tipo di tensione applicata, l’alimentazione del motore cessi una volta commutato lo scambio.
Altrimenti si rischia di “bruciare” le bobine.
Roberto - Socio GasTT - Socio CMP

Avatar utente
IpGio
Socio GAS TT
Messaggi: 4233
Iscritto il: domenica 20 maggio 2018, 9:22
Nome: Giorgio
Regione: Lombardia
Città: Nerviano
Ruolo: co-amministratore
Stato: Non connesso

Re: gestione vecchi motori lima per deviatoi

#3 Messaggio da IpGio »

Aggiungerei un condensatore a scarica capacitiva... che dite?
[253]
[36]
Giorgio Nihil difficile volenti
N/TT/H0-Ep.III-IT GASTT/FIMF
IpGio I plastici di Gio https://www.gtg3b.it

Avatar utente
MrPatato76
Socio GAS TT
Messaggi: 5773
Iscritto il: lunedì 27 agosto 2012, 11:14
Nome: Roberto
Regione: Lombardia
Città: Nova Milanese
Stato: Non connesso

Re: gestione vecchi motori lima per deviatoi

#4 Messaggio da MrPatato76 »

Male non farebbe.
Roberto - Socio GasTT - Socio CMP

Avatar utente
claudioredaelli
Messaggi: 404
Iscritto il: martedì 3 gennaio 2012, 16:42
Nome: Claudio
Regione: Lombardia
Città: Usmate Velate
Stato: Non connesso

Re: gestione vecchi motori lima per deviatoi

#5 Messaggio da claudioredaelli »

scusate inesperienza e ignoranza, dovo andrebbe inserito il condensatore a scarica capacitativa? i singoli deviatoi sono comandati da due pulsanti pulsanti che fanno scattare la bobina del relè bistabile che aziona il deviatoio e contemporaneamente segnala con led verde o rosso.
grazie per la vostra pazienza
Claudio

Avatar utente
IpGio
Socio GAS TT
Messaggi: 4233
Iscritto il: domenica 20 maggio 2018, 9:22
Nome: Giorgio
Regione: Lombardia
Città: Nerviano
Ruolo: co-amministratore
Stato: Non connesso

Re: gestione vecchi motori lima per deviatoi

#6 Messaggio da IpGio »

Prova a leggere la seguenti discussioni... su questo Forum
deviatoi e scarica capacitativa
e questa ...
Scheda guida come fare scarica capacitiva
e poi spazio agli specialisti "Elettronici".
[253]
[36] IpGio
Giorgio Nihil difficile volenti
N/TT/H0-Ep.III-IT GASTT/FIMF
IpGio I plastici di Gio https://www.gtg3b.it

Avatar utente
Docdelburg
Socio GAS TT
Messaggi: 6578
Iscritto il: martedì 4 settembre 2012, 18:16
Nome: Mauro
Regione: Estero
Città: Madrid (España)
Stato: Non connesso

Re: gestione vecchi motori lima per deviatoi

#7 Messaggio da Docdelburg »

Puoi separare la parte di selezione dei comandi da quella attuativa, specie verso i motori che può essere corredata di circuito di scarica capacitativa.
In questa vecchia discussione trovi elementi che ti potrebbero essere utili e relativi schemi.

viewtopic.php?f=118&t=13872&hilit=selet ... o&start=25

Avatar utente
Docdelburg
Socio GAS TT
Messaggi: 6578
Iscritto il: martedì 4 settembre 2012, 18:16
Nome: Mauro
Regione: Estero
Città: Madrid (España)
Stato: Non connesso

Re: gestione vecchi motori lima per deviatoi

#8 Messaggio da Docdelburg »

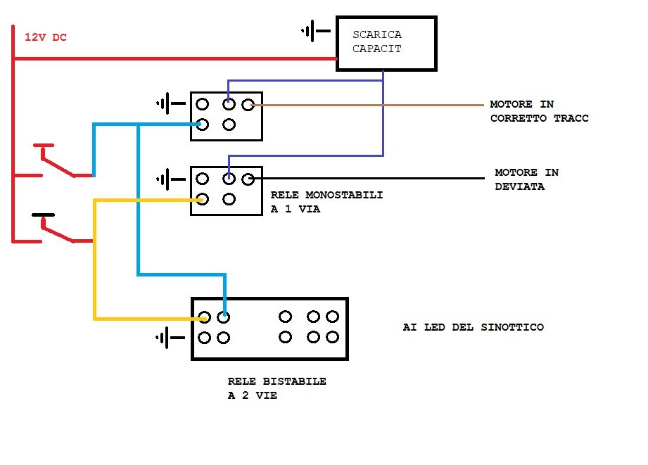
Allego un disegno di come potrebbe essere fatto, a mio modo di vedere, lo schema di collegamento.
Elementi previsti: alimentatore in corrente continua da 12V, pulsanti NA, relè bistabili e monostabili, almeno un circuito di scarica capacitativa, motori per deviatoi a bobina senza fine corsa.
Nel disegno mi riferisco allo schema per un singolo motore: due pulsanti NA (normalmente aperti); quando si chiude il contatto di un pulsante, questo attiva in contemporanea un solo relè monostabile e una posizione (set/reset) del relè bistabile. Il relè monostabile attivato, muoverà bruscamente la bobina del motore del deviatoio con la scarica proveniente dal circuito di scarica capacitativa; il relè bistabile attiverà in modo stabile l'accensione dei led corrispondenti alla posizione del deviatoio. Per quanto si tenga premuto il pulsante, la scarica sarà immediata e difficilmente si avranno problemi alle bobine. Per bruciarle occorrerebbe insistere tenendo premuto il pulsante per alcuni minuti.
XCLAUDIO.jpg
A disposizione per ulteriori specificazioni.

C_A
Messaggi: 3211
Iscritto il: giovedì 1 ottobre 2015, 23:14
Nome: FM
Regione: Estero
Città: --
Età: 68
Stato: Non connesso

Re: gestione vecchi motori lima per deviatoi

#9 Messaggio da C_A »

Docdelburg ha scritto: domenica 20 giugno 2021, 13:53 Per bruciarle occorrerebbe insistere tenendo premuto il pulsante per alcuni minuti.

A disposizione per ulteriori specificazioni.
Questo vuol dire che l'alimentatore è a basso amperaggio! Giusto?

Avatar utente
Docdelburg
Socio GAS TT
Messaggi: 6578
Iscritto il: martedì 4 settembre 2012, 18:16
Nome: Mauro
Regione: Estero
Città: Madrid (España)
Stato: Non connesso

Re: gestione vecchi motori lima per deviatoi

#10 Messaggio da Docdelburg »

Criss Amon ha scritto: lunedì 21 giugno 2021, 2:17
Docdelburg ha scritto: domenica 20 giugno 2021, 13:53 Per bruciarle occorrerebbe insistere tenendo premuto il pulsante per alcuni minuti.

A disposizione per ulteriori specificazioni.
Questo vuol dire che l'alimentatore è a basso amperaggio! Giusto?
Più che altro avviene un surriscaldamento lento del motore dovuto al fatto che il circuito di scarica capacitativa ha una resistenza posta prima del condensatore, il che limita il tempo di ricarica dello stesso e riduce la quantità di energia che arriva al motore.
Il valore di questa resistenza può variare a seconda della necessità di ricaricare in modo più o meno veloce il condensatore.
Mi spiego meglio: se ogni motore ha un suo circuito di scarica capacitativa dedicato, il tempo di ricarica può essere lento, quindi valore della resistenza alto, se invece si ha un circuito di scarica capacitativa per più motori che devono essere attivati in breve sequenza, allora il valore della resistenza deve essere basso per una ricarica molto più veloce.
SCARICA CAPACIT.jpg
Questo è lo schema di un circuito di scarica capacitativa, adatto anche ad alimentazione in continua a 12V.

C_A
Messaggi: 3211
Iscritto il: giovedì 1 ottobre 2015, 23:14
Nome: FM
Regione: Estero
Città: --
Età: 68
Stato: Non connesso

Re: gestione vecchi motori lima per deviatoi

#11 Messaggio da C_A »

Mauro, ti ringrazio per la risposta. Però, consentimi e consentitemi di fare un commento più formale che sostanziale. Il circuito che hai postato è molto ben dimensionato. Per quello che ho studiato al corso di elettrotecnica dell'università di Catania (all'epoca uno dei migliori d'Italia, e per contro il corso di elettronica era pessimo), la resistenza serve per salvaguardare il circuito a monte, considerando che il condensatore scarico è un corto circuito; il tempo di carica veniva un po' lasciato al caso anche se si faceva un certo dimensionamento; l'aspetto della bassa corrente sulle bobine, a condensatore ormai scarico, lo consideravamo un buon effetto collaterale. Il circuito è ben fatto, perché impegna l'alimentazione al massimo per 90 milliampere, ma fornisce, con la scarica capacitiva una corrente impulsiva molto forte per le bobine a valle.
Però, per chi non sa gestire questi progetti ed ha a disposizione un alimentatore di almeno un paio di ampere, consiglio il collegamento diretto a pulsanti e bobine, magari con una lampada spia che segnala se la bobina è sotto tensione e quindi se il pulsante è rimasto bloccato.
Spero di non essere stato troppo matematico!!! [245]
Grazie!!! Ciao!!! [253]

Avatar utente
MrPatato76
Socio GAS TT
Messaggi: 5773
Iscritto il: lunedì 27 agosto 2012, 11:14
Nome: Roberto
Regione: Lombardia
Città: Nova Milanese
Stato: Non connesso

Re: gestione vecchi motori lima per deviatoi

#12 Messaggio da MrPatato76 »

Criss Amon ha scritto: lunedì 21 giugno 2021, 15:09 Mauro, ti ringrazio per la risposta. Però, consentimi e consentitemi di fare un commento più formale che sostanziale. Il circuito che hai postato è molto ben dimensionato. Per quello che ho studiato al corso di elettrotecnica dell'università di Catania (all'epoca uno dei migliori d'Italia, e per contro il corso di elettronica era pessimo), la resistenza serve per salvaguardare il circuito a monte, considerando che il condensatore scarico è un corto circuito; il tempo di carica veniva un po' lasciato al caso anche se si faceva un certo dimensionamento; l'aspetto della bassa corrente sulle bobine, a condensatore ormai scarico, lo consideravamo un buon effetto collaterale. Il circuito è ben fatto, perché impegna l'alimentazione al massimo per 90 milliampere, ma fornisce, con la scarica capacitiva una corrente impulsiva molto forte per le bobine a valle.
Però, per chi non sa gestire questi progetti ed ha a disposizione un alimentatore di almeno un paio di ampere, consiglio il collegamento diretto a pulsanti e bobine, magari con una lampada spia che segnala se la bobina è sotto tensione e quindi se il pulsante è rimasto bloccato.
Spero di non essere stato troppo matematico!!! [245]
Grazie!!! Ciao!!! [253]
....no.

La resistenza in questo circuito ha la stessa funzione di un "rubinetto": serve a parzializzare la corrente di ricarica del condensatore.
Più è grande, meno corrente passa e più tempo servirà al condensatore per caricarsi
Il circuito a monte è protetto dal diodo posto tra circuito di raddrizzamento e resistenza.
Roberto - Socio GasTT - Socio CMP

C_A
Messaggi: 3211
Iscritto il: giovedì 1 ottobre 2015, 23:14
Nome: FM
Regione: Estero
Città: --
Età: 68
Stato: Non connesso

Re: gestione vecchi motori lima per deviatoi

#13 Messaggio da C_A »

Sì avrai ragione, ma non la vedo così. Perché per dimensionare la resistenza devo considerare la situazione peggiore, ovvero il corto circuito sul condensatore. E il calcolo è semplice: tensione massima dell'alimentazione diviso corrente massima disponibile dell'alimentatore. Per stabilire la potenza della resistenza si fa tensione massima al quadrato dell'alimentatore diviso la resistenza già calcolata (magari poi si maggiora per sicurezza).
Un'altra osservazione. Credo che stiamo dicendo la stessa cosa in modo diverso. Io non parlo della scarica, per quella a proteggere c'è il diodo. Io parlo della corrente che deve fornire l'alimentatore in fase di carica (bobine non alimentate), che non deve superare la massima disponibile dall'alimentatore. E per questo c'è la resistenza che con la sua caduta di tensione limita la corrente dell'alimentatore. Ma è pur sempre una protezione. Ti dirò di più, alcuni non la mettono affidandosi alla resistenza interna circuitale, e al fatto che così facendo la carica è brevissima e con essa la durata del corto circuito. Il risultato: dopo un tempo più o meno lungo l'alimentatore è bollito e fuso.
Comunque basta così. Grazie a tutti voi per la conversazione e mi ritiro in buon ordine!
Ciao!!!

Avatar utente
Docdelburg
Socio GAS TT
Messaggi: 6578
Iscritto il: martedì 4 settembre 2012, 18:16
Nome: Mauro
Regione: Estero
Città: Madrid (España)
Stato: Non connesso

Re: gestione vecchi motori lima per deviatoi

#14 Messaggio da Docdelburg »

Credo che stiamo tutti dicendo cose corrette anche se in modo diverso e da un diverso punto di vista..... :wink:

Avatar utente
Senialas
Messaggi: 840
Iscritto il: lunedì 8 ottobre 2012, 16:50
Nome: Roberto
Regione: Lombardia
Città: Gallarate
Stato: Non connesso

Re: gestione vecchi motori lima per deviatoi

#15 Messaggio da Senialas »

Più o meno.
Però ha ragione Francesco.
La resistenza a monte del condensatore serve a non bruciare i diodi del ponte e va tarata di conseguenza per avere il condensatore carico il più velocemente possibile.
Il riscaldamento dell'elettromagnete del meccanismo del deviatoio, se non interrotto, è dovuto alla corrente che circola fornita, in prima battuta dal condensatore (finché ha energia) e poi direttamente dall'alimentatore. Il valore della corrente è regolato dall'impedenza dell'elettromagnete (e dall'impedenza + la resistenza di carica del condensatore quando il condensatore è quasi scarico).
Roberto M.

Torna a “COLLEGAMENTI ELETTRICI”