Trenini e non solo - Milano 2025

Ben arrivato! Fai login o registrati per fruire di tutte le funzionalità del forum e del sito.
Se eri già registrato e non ti ricordi la password usa questo link per recuperare l'accesso.
Sito e forum dedicati al fermodellismo, il nostro hobby viene praticato in molte maniere diverse, tutte ugualmente valide: hai un plastico? oppure sei un collezionista? oppure un semplice appassionato? Non esitare a scrivere nel forum, tutti gli interventi sono benvenuti... Postate foto e video del vostro plastico e chiedete aiuto per ogni problema o curiosità inerente al nostro hobby.
Rinnovo/Iscrizione/Donazioni GAS TT - 2026

Scambi Elettronici Rokuhan Z/1:220 Z scale

Discussioni relative alla scala Z 1:220

Moderatori: MrMassy86, adobel55, lorelay49

Messaggio
Autore
Avatar utente
antani
Messaggi: 18
Iscritto il: venerdì 6 marzo 2020, 21:20
Nome: Antani
Regione: Emilia Romagna
Città: Parma
Età: 39
Stato: Non connesso

Scambi Elettronici Rokuhan Z/1:220 Z scale

#1 Messaggio da antani »

Salve,
Ho intenzione di creare un plastico con almeno tre scambi Rokuhan (i.e. R022 & R023 Turnout).
Il fatto e' che invece di usare i classici controller della Rokuhan (e.g. RC02 o RC03) per azionarli... vorrei usare Arduino + MotorShield + DCC++

Ho chiesto alla Rokuhan le specifiche tecniche dei turnout e mi hanno risposto:

Codice: Seleziona tutto

- Voltaggio : 10~12V
- Durata Impulso: 40mS
- A seconda della polarita', lo scambio si muove da una parte o dall'altra
Ora mi chiedo... sono l'unico che ha mai avuto la necessita' di controllare dei turnout simili senza usare il controller originale?
Qualcuno ha mai provato ad usare arduino per mandare l'impulso da 40mS? O avete preferito usare un circuito piu semplice con un 555 integrato?

Grazie per l'attenzione [1]


Luca

Avatar utente
MrPatato76
Socio GAS TT
Messaggi: 5768
Iscritto il: lunedì 27 agosto 2012, 11:14
Nome: Roberto
Regione: Lombardia
Città: Nova Milanese
Stato: Non connesso

Re: Scambi Elettronici Rokuhan Z/1:220 Z scale

#2 Messaggio da MrPatato76 »

C'è una discussione aperta su come comandare gli scambi tramite servo + arduino.
Dai dati che hai postato, gli azionamenti dovrebbero essere a Bobina e non tramite servo o motore rotativo, quindi il motorshield non sarebbe utile in questo caso.
Che io sappia arduino non è in gradi di alimentare direttamente a 12V, ma potrebbe comandare dei relè per azionare le bobine.
Roberto - Socio GasTT - Socio CMP

Avatar utente
antani
Messaggi: 18
Iscritto il: venerdì 6 marzo 2020, 21:20
Nome: Antani
Regione: Emilia Romagna
Città: Parma
Età: 39
Stato: Non connesso

Re: Scambi Elettronici Rokuhan Z/1:220 Z scale

#3 Messaggio da antani »

Il motorshield verrebbe usato solo per il fatto che ha montato un H-bridge.
Il quale mi permetterebbe di cambiare polarita' della bobina con facilita'.
In piu, il motorshield stesso (essendo alimentato esternamente rispetto ai 5V dell'arduino) mi permetterebbe anche di alimentare tranquillamente lo scambio senza bruciare l'arduino stessa.

Stavo pensando ad un L298N-mini. https://pg-cdn-a2.datacaciques.com/wm/N ... 599161.JPG
Non evendo nemmeno necessita' dei pin PWM... pensavo di usare il motorshield classico per controllare la locomotiva ed il L298N-mini per gli scambi.
Luca

Avatar utente
antani
Messaggi: 18
Iscritto il: venerdì 6 marzo 2020, 21:20
Nome: Antani
Regione: Emilia Romagna
Città: Parma
Età: 39
Stato: Non connesso

Re: Scambi Elettronici Rokuhan Z/1:220 Z scale

#4 Messaggio da antani »

P.S. Per caso potresti linkarmi il thread specifico riguardo "C'è una discussione aperta su come comandare gli scambi tramite servo + arduino."

Grazie mille!
Luca

Avatar utente
MrPatato76
Socio GAS TT
Messaggi: 5768
Iscritto il: lunedì 27 agosto 2012, 11:14
Nome: Roberto
Regione: Lombardia
Città: Nova Milanese
Stato: Non connesso

Re: Scambi Elettronici Rokuhan Z/1:220 Z scale

#5 Messaggio da MrPatato76 »

Roberto - Socio GasTT - Socio CMP

Avatar utente
sal727
Messaggi: 4065
Iscritto il: domenica 26 aprile 2015, 17:22
Nome: Salvatore
Regione: Emilia Romagna
Città: Bologna
Ruolo: Moderatore
Stato: Non connesso

Re: Scambi Elettronici Rokuhan Z/1:220 Z scale

#6 Messaggio da sal727 »

Per attivare i motori con impulso tramite arduino puoi utilizzare i relè regolandone il tempo di durata, ad ogni deviatoio utilizzi due relè, puoi vedere quello che ho fatto io qui
viewtopic.php?f=88&t=16333&p=272425#p272425

Avatar utente
antani
Messaggi: 18
Iscritto il: venerdì 6 marzo 2020, 21:20
Nome: Antani
Regione: Emilia Romagna
Città: Parma
Età: 39
Stato: Non connesso

Re: Scambi Elettronici Rokuhan Z/1:220 Z scale

#7 Messaggio da antani »

Grazie ragazzi per le dritte!
Luca

Avatar utente
Edgardo_Rosatti
Socio GAS TT
Messaggi: 5147
Iscritto il: venerdì 28 ottobre 2011, 0:59
Nome: Edgardo
Regione: Lombardia
Città: Muggiò
Età: 61
Stato: Non connesso

Re: Scambi Elettronici Rokuhan Z/1:220 Z scale

#8 Messaggio da Edgardo_Rosatti »

Ho visto il sito Rokuhan ed i deviatoi che citi; veramente interessanti.

Da quello che ho capito usano motori elettromagnetici con magneti al neodimio azionati con soli 2 fili 10/12 VCC.
L'impulso elettrico deve durare al massimo 40 millisecondi.
In base alla polarità di alimentazione si ha l'azionamento del motore in un senso e nell'altro.

Nel mio progetto per l'azionamento di servi per la gestione dei deviatoi che ti è stato indicato sopra, è possibile usare solo la parte dei pulsanti per il comando di azionamento e la parte dei relè per l'alimentazione del motore. La gestione dei servi in questo caso la si può eliminare.

Ovviamente , la scheda in questo caso va riprogrammata.
Qui il progetto da cui partire:
http://gasttlab.altervista.org/gasttlab ... analogico/
ED

Avatar utente
v200
Messaggi: 10415
Iscritto il: domenica 3 maggio 2015, 18:31
Nome: roberto
Regione: Piemonte
Città: Torino
Ruolo: Moderatore
Stato: Non connesso

Re: Scambi Elettronici Rokuhan Z/1:220 Z scale

#9 Messaggio da v200 »

Sono un po di fretta, ma per far funzionare in digitale i deviatoi Rokuhan devi cambiare la disposizione interna del PCB inserendo le appositi viti. Inoltre Rokuhan ha in catalogo il proprio decoder. Domani cerco di approfondire.
Roby - In ogni fermodellista in enne c'è un po di masochismo.

Avatar utente
v200
Messaggi: 10415
Iscritto il: domenica 3 maggio 2015, 18:31
Nome: roberto
Regione: Piemonte
Città: Torino
Ruolo: Moderatore
Stato: Non connesso

Re: Scambi Elettronici Rokuhan Z/1:220 Z scale

#10 Messaggio da v200 »

Si per alimentare il tracciato in digitale occorre disabilitare la funzione pensante, ovvero la continuità elettrica in base alla disposizione degli aghi con le relative rotaie del instradamento. I deviatoi sono venduti con predisposizione " pensante" per disabilitarla basta inserire le apposite viti nelle sedi indicate visibili a questo link
viewtopic.php?f=146&t=15430&start=25.
Visto l'alimentazione elettrica a 10 V in CC la Rokuhan ha in catalogo un proprio decoder per i deviatoi alimentabile in digitale con correnti 10 / 16 V CA http://www.rokuhan.com/english/products ... manual.pdf
Roby - In ogni fermodellista in enne c'è un po di masochismo.

Avatar utente
antani
Messaggi: 18
Iscritto il: venerdì 6 marzo 2020, 21:20
Nome: Antani
Regione: Emilia Romagna
Città: Parma
Età: 39
Stato: Non connesso

Re: Scambi Elettronici Rokuhan Z/1:220 Z scale

#11 Messaggio da antani »

v200 ha scritto: giovedì 12 marzo 2020, 17:41 Si per alimentare il tracciato in digitale occorre disabilitare la funzione pensante, ovvero la continuità elettrica in base alla disposizione degli aghi con le relative rotaie del instradamento. I deviatoi sono venduti con predisposizione " pensante" per disabilitarla basta inserire le apposite viti nelle sedi indicate visibili a questo link
viewtopic.php?f=146&t=15430&start=25.
Visto l'alimentazione elettrica a 10 V in CC la Rokuhan ha in catalogo un proprio decoder per i deviatoi alimentabile in digitale con correnti 10 / 16 V CA http://www.rokuhan.com/english/products ... manual.pdf
Mi sono guardato ora il manuale dello scambio e voglio capire se la mia ipotesi e' corretta..
Screenshot 2020-03-13 at 23.07.01.png
Nel mio plastico ho in mente di usare due serie di binari e per ognuno dei due binari vorrei utilizzare due treni che vadano in direzioni opposte (all'occorrenza). Per raggiungere tale scopo, pensavo di alimentare i due binari con due sorgenti diverse, cosi da controllarne separatamente voltaggio e polarita' (i.e. cosi da variare direzione di guida e velocita').

Ora... leggendo tale manuale... l'idea che ho... e' che debba lasciare lo scambio settato in "POWER ROUTING". Confermi?
Luca

Avatar utente
antani
Messaggi: 18
Iscritto il: venerdì 6 marzo 2020, 21:20
Nome: Antani
Regione: Emilia Romagna
Città: Parma
Età: 39
Stato: Non connesso

Re: Scambi Elettronici Rokuhan Z/1:220 Z scale

#12 Messaggio da antani »

P.S. Domanda da profano... quel decoder A060... potrebbe essere controllato da un Arduino con semplici impulsi o PWM?
Non ne riesco a capire l'uitlita'...
Luca

Avatar utente
Edgardo_Rosatti
Socio GAS TT
Messaggi: 5147
Iscritto il: venerdì 28 ottobre 2011, 0:59
Nome: Edgardo
Regione: Lombardia
Città: Muggiò
Età: 61
Stato: Non connesso

Re: Scambi Elettronici Rokuhan Z/1:220 Z scale

#13 Messaggio da Edgardo_Rosatti »

antani ha scritto: venerdì 13 marzo 2020, 22:23 P.S. Domanda da profano... quel decoder A060... potrebbe essere controllato da un Arduino con semplici impulsi o PWM?
Non ne riesco a capire l'uitlita'...
No,
A060 è un decoder DCC per poterti permettere di gestire il deviatoio solo con una centrale DCC.

Per gestire il motore del deviatoio con Arduino devi usare una scheda Arduino con semplici impulsi.
Il PWM qui non c'entra nulla.

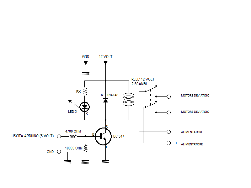
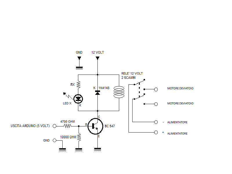
Per avere semplici impulsi con Arduino devi usare un relè o un transistor di tipo darlington collegato ad una sua uscita; un transistor NPN tipo BC517 va benissimo.
Questo perchè le uscite di Arduino non consentono di pilotare carchi superiori ad un paio di led (40 mA circa), mentre con un relè o un transistor
darlington puoi alimentare carichi fino ad 1 Ampere ed oltre.

Un semplice schema elettrico con relè da collegare alle uscite di Arduino è questo:
Schema + e -
Schema + e -
Schema - e +
Schema - e +
Per gestie il motore in oggetto, dovrai usare due uscite di arduino per i comandi "corretto tracciato" e "non corretto tracciato.
Gli schemi sembrano identici, ma differiscono dai collegamenti dei relè che hanno polarità invertita sulla dicitura ALIMENTAZIONE.

Le uscite MOTORE DEVIATOIO, andranno collegate insieme e saranno i due fili che andrano al motore del deviatoio stesso.

Poi sarà il software a determinare la durata degli impulsi sulle uscite.

ED
ED

Avatar utente
v200
Messaggi: 10415
Iscritto il: domenica 3 maggio 2015, 18:31
Nome: roberto
Regione: Piemonte
Città: Torino
Ruolo: Moderatore
Stato: Non connesso

Re: Scambi Elettronici Rokuhan Z/1:220 Z scale

#14 Messaggio da v200 »

Ma due convogli sullo stesso tracciato ? Con un raddoppio al centro?
Oppure due tracciati distinti?.
Poi utilizzi treni Rokuhan o marklin?
Roby - In ogni fermodellista in enne c'è un po di masochismo.

Avatar utente
antani
Messaggi: 18
Iscritto il: venerdì 6 marzo 2020, 21:20
Nome: Antani
Regione: Emilia Romagna
Città: Parma
Età: 39
Stato: Non connesso

Re: Scambi Elettronici Rokuhan Z/1:220 Z scale

#15 Messaggio da antani »

Questo é il layout a cui pensavo: https://www.rokuhan.com/english/product ... %82%B8.jpg

Con due locomotive controllate indipendentemente l'una dall'altra.
Luca

Avatar utente
v200
Messaggi: 10415
Iscritto il: domenica 3 maggio 2015, 18:31
Nome: roberto
Regione: Piemonte
Città: Torino
Ruolo: Moderatore
Stato: Non connesso

Re: Scambi Elettronici Rokuhan Z/1:220 Z scale

#16 Messaggio da v200 »

Allora, Rokuhan non ha elettronica a bordo delle loco ma tutta nei regolatori/alimentatori. Solitamente non utilizzano il digitale ma l'analogico con i loro locomotori meno affamati di energia è da non utilizzare con loco Marklin che lo mandano in blocco per sovra alimentazione a questo punto regolatore C03 che ha già due interruttori per i deviatoi (il suo alimentatore è da acquistare a parte per 7,20 euro) 73,40 euro in tutto più un set di scarpette da mettere tra i deviatoi 5,70 è puoi gestire il tracciato senza problemi . Dovrai lasciare i deviatoi pensanti in modo da alternare i due convogli sul tratto in raddoppio.
I deviatoi Rokuhan sono molto delicati aprendoli il filo che fa da bobina è sottilissimo basta nulla per bruciarlo, pertanto eviterei di dover agire sulla piccola elettromeccanica interna ( tutto è racchiuso dentro il simulacro della massicciata )
Link per i componenti dove mi servo
https://www.1zu220-shop.de/ROKUHAN/Elek ... 00067.html
https://www.1zu220-shop.de/ROKUHAN/Zube ... ::408.html



N.B il controller C01 non è più in vendita per l'europa ma il C03 con regolazione più fine al minimo, qualche volta usato su ebay, volendo due controller C02 ma senza interruttori è alimentatore ma aumenti i costi
Roby - In ogni fermodellista in enne c'è un po di masochismo.

Avatar utente
antani
Messaggi: 18
Iscritto il: venerdì 6 marzo 2020, 21:20
Nome: Antani
Regione: Emilia Romagna
Città: Parma
Età: 39
Stato: Non connesso

Re: Scambi Elettronici Rokuhan Z/1:220 Z scale

#17 Messaggio da antani »

antani ha scritto: venerdì 13 marzo 2020, 22:12
v200 ha scritto: giovedì 12 marzo 2020, 17:41 Si per alimentare il tracciato in digitale occorre disabilitare la funzione pensante, ovvero la continuità elettrica in base alla disposizione degli aghi con le relative rotaie del instradamento. I deviatoi sono venduti con predisposizione " pensante" per disabilitarla basta inserire le apposite viti nelle sedi indicate visibili a questo link
viewtopic.php?f=146&t=15430&start=25.
Visto l'alimentazione elettrica a 10 V in CC la Rokuhan ha in catalogo un proprio decoder per i deviatoi alimentabile in digitale con correnti 10 / 16 V CA http://www.rokuhan.com/english/products ... manual.pdf
Mi sono guardato ora il manuale dello scambio e voglio capire se la mia ipotesi e' corretta..
Screenshot 2020-03-13 at 23.07.01.png

Nel mio plastico ho in mente di usare due serie di binari e per ognuno dei due binari vorrei utilizzare due treni che vadano in direzioni opposte (all'occorrenza). Per raggiungere tale scopo, pensavo di alimentare i due binari con due sorgenti diverse, cosi da controllarne separatamente voltaggio e polarita' (i.e. cosi da variare direzione di guida e velocita').

Ora... leggendo tale manuale... l'idea che ho... e' che debba lasciare lo scambio settato in "POWER ROUTING". Confermi?
Ho gia' acquistato un C03, il fatto e' che volvevo muovere tutto su arduino. E devo ammetter che sono a buon punto riguardo lo studio di fattibilita'.
Alla fine usero':
- un Arduino UNO
- Motorshield con L298N H-bridge per gestire velocita' e direzione dei due binari.
- Ed un altro L298N per gestire i turnout (potrei scegliere anche di andare di relay. Ma preferisco stare on l'H-bridge ed uno stepdown da 12V a 10V (massimo voltaggio racomandato dalla Rokuhan per i suoi turnouts).

Ora devo solo capire come settare i turnout. Se aggiungere le viti oppure no.

Scusami l'ignoranza... per PESANTE cosa intendi? Quello che la Rokuhan nel suo manuale definisce "Power Routing"?
Luca

Avatar utente
v200
Messaggi: 10415
Iscritto il: domenica 3 maggio 2015, 18:31
Nome: roberto
Regione: Piemonte
Città: Torino
Ruolo: Moderatore
Stato: Non connesso

Re: Scambi Elettronici Rokuhan Z/1:220 Z scale

#18 Messaggio da v200 »

Per pensante vuol dire che in base alla disposizione degli aghi la continuità elettrica avviene solo nella direzione imposta ( dove gli aghi puntano ) ,mentre il tratto opposto rimane isolato .
Il deviatoio senza inserire le viti è pensante quindi power routing ( configurazione da scatola ).
Avendo aperto un deviatoio Rokuhan ti avviso della sua estrema delicatezza sia per i cablaggi che per i cinematismi, da non forzare con pressioni sul astina manuale di manovra o con impulsi potenti pena danneggiamenti importanti.
Roby - In ogni fermodellista in enne c'è un po di masochismo.

Avatar utente
antani
Messaggi: 18
Iscritto il: venerdì 6 marzo 2020, 21:20
Nome: Antani
Regione: Emilia Romagna
Città: Parma
Età: 39
Stato: Non connesso

Re: Scambi Elettronici Rokuhan Z/1:220 Z scale

#19 Messaggio da antani »

Ho ancora un dubbio...
Consideriamo questo layout...
Immagine

Io pensavo di alimentare le due tracce/piste/binari in maniera indipendente l'una dalla'tra cosi da avere due trenini che girano in contemporanea.

Diciamo che un trenino gira in senso orario e l'altro in senso antiorario... e i turnouts sono in "power routing"... cosa succede quando attivo i turouts ed un trenino passa da un binario all'altro?

Essendo entrambi i binari alimentati e con polarita' invertita (i.e. dato che i due treninin viaggiavano in sensi opposti).... che succede? Va in corto qualcosa? O per via del power-routing... una solo traccia/binario e' ellettrificata e l'altra non piu'?

Lo so che possono essere domande banali... ma sono al primo layout. Compatitemi per favore [101]
Luca

Avatar utente
v200
Messaggi: 10415
Iscritto il: domenica 3 maggio 2015, 18:31
Nome: roberto
Regione: Piemonte
Città: Torino
Ruolo: Moderatore
Stato: Non connesso

Re: Scambi Elettronici Rokuhan Z/1:220 Z scale

#20 Messaggio da v200 »

Caro Luca, puoi chiedere tranquillamente aiuto per i tuoi dubbi, lo scopo del forum è proprio aiutare il neofita a progredire è il modellista esperto nei suoi problemi di maggior complessità.
Ma torniamo al problema,
Interponendo le scarpette isolanti ( in plastica ) tra i deviatoi che uniscono il tracciato A al tracciato B crei un punto isolante che non permette cortocircuiti,ovvero interrompe il passaggio della corrente. Sia che i deviatoi siano pensanti o no in digitale oppure analogico.
Il problema è nel gestire il motore della loco, quando la loco avrà un carrello sul tracciato A è un carrello sul tracciato B con correnti opposte il motore riceverà un corto.
Per evitarlo basterà posizionare i controller analogici i Rokuhan C02/3 con il senso di marcia uguale ovvero entrambi avanti o indietro. Il transito tra i due tracciati sarà come fosse un tracciato alimentato da un unico controller.
Quindi potrai mandare un convoglio dal tracciato A oppure B tranquillamente.
Con i deviatoi predisposti in "power routing" non accade nulla il convoglio proseguirà tranquillamente sul tracciato da te selezionato , dovrai solamente riportare i deviatoi con gli aghi in posizione corretta una volta passato il convoglio.
Roby - In ogni fermodellista in enne c'è un po di masochismo.

Avatar utente
v200
Messaggi: 10415
Iscritto il: domenica 3 maggio 2015, 18:31
Nome: roberto
Regione: Piemonte
Città: Torino
Ruolo: Moderatore
Stato: Non connesso

Re: Scambi Elettronici Rokuhan Z/1:220 Z scale

#21 Messaggio da v200 »

Se intendi poi utilizzare Arduino per gestire oltre i deviatoi anche la circolazione dei convogli dovrai utilizzare 2 schede arduino per ogni tracciato.
Comunque nel caso che utilizzi un convoglio sul tracciato A ed uno sul tracciato B , dovrai posizionarne uno sul binario di raddoppio del tracciato A ( esterno ) , togliere l'alimentazione ( in base alla disposizione degli aghi ) dei deviatoi 1 e 2 è posizionare i due deviatoi che uniscono i tracciati nella medesima posizione. fai cambiare il tracciato al tuo convoglio, riposizioni i deviatoi , è sei a posto
R079 ミニカーブ複線セット、パッケージ裏面イメージ.jpg
La linea blu è dove mettere le scarpette isolanti.
Roby - In ogni fermodellista in enne c'è un po di masochismo.

Avatar utente
v200
Messaggi: 10415
Iscritto il: domenica 3 maggio 2015, 18:31
Nome: roberto
Regione: Piemonte
Città: Torino
Ruolo: Moderatore
Stato: Non connesso

Re: Scambi Elettronici Rokuhan Z/1:220 Z scale

#22 Messaggio da v200 »

Deviatoio è le sue parti,
identifichiamo alcune parti del deviatoio
La parte curva viene detta : Deviata
la parte diritta invece Corretto tracciato
Le rotaie che permettono di selezionare il percorso Aghi
Parte ant. degli Aghi : Punte
Parte post. : Tallone
Centro del deviatoio dove si uniscono le rotaie : Cuore
IMG_3339_1024x768.JPG
IMG_3339_1024x768.JPG (30.21 KiB) Visto 6919 volte
Roby - In ogni fermodellista in enne c'è un po di masochismo.

Avatar utente
v200
Messaggi: 10415
Iscritto il: domenica 3 maggio 2015, 18:31
Nome: roberto
Regione: Piemonte
Città: Torino
Ruolo: Moderatore
Stato: Non connesso

Re: Scambi Elettronici Rokuhan Z/1:220 Z scale

#23 Messaggio da v200 »

Il deviatoio pensante permette di elettrificare il corretto tracciato o la deviata in base alla disposizione degli aghi . Ma rimane elettrificato il piccolo pezzo di "corretto tracciato" collegato alle rotaie del tracciato dopo i cuore verso il tallone, in questo modo il locomotore prosegue il suo percorso.
In pratica gli aghi alimentano una rotaia nella direzione che desideriamo, e scollegandone una sul lato non utilizzato .
potrebbe essere utile questo articolo
http://www.scalatt.it/bottega%20plastici_tester.htm
Roby - In ogni fermodellista in enne c'è un po di masochismo.

Avatar utente
antani
Messaggi: 18
Iscritto il: venerdì 6 marzo 2020, 21:20
Nome: Antani
Regione: Emilia Romagna
Città: Parma
Età: 39
Stato: Non connesso

Re: Scambi Elettronici Rokuhan Z/1:220 Z scale

#24 Messaggio da antani »

Proprio le nozioni di cui necessitavo!
Grazie infinitamente! :)
Luca

Avatar utente
antani
Messaggi: 18
Iscritto il: venerdì 6 marzo 2020, 21:20
Nome: Antani
Regione: Emilia Romagna
Città: Parma
Età: 39
Stato: Non connesso

Re: Scambi Elettronici Rokuhan Z/1:220 Z scale

#25 Messaggio da antani »

v200 ha scritto: lunedì 16 marzo 2020, 18:30 Se intendi poi utilizzare Arduino per gestire oltre i deviatoi anche la circolazione dei convogli dovrai utilizzare 2 schede arduino per ogni tracciato.
Comunque nel caso che utilizzi un convoglio sul tracciato A ed uno sul tracciato B , dovrai posizionarne uno sul binario di raddoppio del tracciato A ( esterno ) , togliere l'alimentazione ( in base alla disposizione degli aghi ) dei deviatoi 1 e 2 è posizionare i due deviatoi che uniscono i tracciati nella medesima posizione. fai cambiare il tracciato al tuo convoglio, riposizioni i deviatoi , è sei a postoR079 ミニカーブ複線セット、パッケージ裏面イメージ.jpg
La linea blu è dove mettere le scarpette isolanti.
Domanda, le scarpette isolanti come vengono chiamate dalla Rokuhan?
Cosi' le ordino.
Grazie
Luca

Torna a “SCALA Z”