Primi passi con SCARM


Ben arrivato! Fai login o registrati per fruire di tutte le funzionalità del forum e del sito.
Se eri già registrato e non ti ricordi la password usa questo link per recuperare l'accesso.
Sito e forum dedicati al fermodellismo, il nostro hobby viene praticato in molte maniere diverse, tutte ugualmente valide: hai un plastico? oppure sei un collezionista? oppure un semplice appassionato? Non esitare a scrivere nel forum, tutti gli interventi sono benvenuti... Postate foto e video del vostro plastico e chiedete aiuto per ogni problema o curiosità inerente al nostro hobby.
Rinnovo/Iscrizione/Donazioni GAS TT - 2026

Regolatore in PWM con Arduino scala Z/1:220

Tutto ciò che è elettricità applicata al fermodellismo.

Moderatori: lorelay49, MrMassy86, adobel55, Docdelburg

Messaggio
Autore
Avatar utente
sal727
Messaggi: 4065
Iscritto il: domenica 26 aprile 2015, 17:22
Nome: Salvatore
Regione: Emilia Romagna
Città: Bologna
Ruolo: Moderatore
Stato: Non connesso

Regolatore in PWM con Arduino scala Z/1:220

#1 Messaggio da sal727 »

Non essendo soddisfatto del mio trafo Marklin per la scala Z, che per far partire una loco bisogna arrivare circa a metà corsa del regolatore, mi sono messo alla ricerca di una soluzione adeguata ed ho trovato nel sito parallelo di un mio rifornitore Izu220 un interessantissimo progetto con arduino, che sfrutta le sue potenzialità in PWM
http://www.1-zu-220.de/reglera.php
leggendo con fatica essendo scritto in tedesco, l'ho provato e devo dire che mi ha soddisfatto al punto di volerlo costruire, provato con un motore a 12v funziona bene, oltre al potenziometro della velocità che comprende le due direzioni con il fermo centrale, il tutto segnalato da tre led, due per la direzione ed uno per il fermo, ha la possibilità di calibrare la frequenza di avvio del motore per non aver vuoti di azione sul regolatore di velocità e poi l'eventuale accelerazione e decelerazione calibrata nel caso di inpostazione rapida del movimento, calibrazioni molto utili, inoltre ha un pulsante di emergenza che blocca tutto in caso di bisogno, naturalmente questo funziona solamente in analogico e con loco non predisposte al digitale, può essere utilizzato in tutte le scale, basta alimentarlo con la tensione adeguata, in scala Z si alimenta a 10V, in scala N e H0 a 12V, la scheda Arduino viene alimentata direttamente dalla scheda driver per il motore avendo una uscita stabilizzata a 5V, con modica spesa si ottiene un trafo all'altezza di quelli commerciali.
Regolatore PWM_bb.jpg
WP_20180127_004.jpg
Appena riesco posto un video del suo funzionamento, ma volendo c'è anche sul sito di riferimento.
Non hai i permessi necessari per visualizzare i file allegati in questo messaggio.



Avatar utente
v200
Messaggi: 10416
Iscritto il: domenica 3 maggio 2015, 18:31
Nome: roberto
Regione: Piemonte
Città: Torino
Ruolo: Moderatore
Stato: Non connesso

Re: Regolatore in PWM con Arduino scala Z/1:220

#2 Messaggio da v200 »

Serve ancora il PWM in analogico?
Certo se si vogliono avere partenze e frenate progressive è non accelerazioni e decelerazioni nervose oltre ad una marcia costante. Ma anche manovre con la giusta velocità ( preservando i ganci da botte ed urti ). Un alimentatore PWM in uso fermodellistico non è una novità ma una tecnica da noi dimenticata o poco utilizzata. Gli alimentatori PWM sono per lo più utilizzati nelle scale piccole N ed Z che da noi sono scale relativamente poco gettonate quindi le varie soluzioni tra cui l'alimentazione PWM meno conosciuta. Oggi parlando del nostro mercato interno si corre molto verso il digitale senza vedere cosa esiste nel mezzo appunto l'alimentazione in PWM che in Giappone,Inghilterra e Germania gode di un buon gradimento ( mai come in Giappone dove su 10 plastici 9 sono in analogico/PWM ed uno in digitale ) tanto da essere ancora utilizzata con soddisfazione in plastici medio piccoli ed addirittura in plastici modulari. Ovviamente con il progredire della tecnologia anche il PWM ha fatto qualche passo in avanti con l'applicazione di Arduino, siamo passati a digitalizzare il tracciato è non le loco con un notevole risparmio potendo avere una varietà di marcia non tanto differente da una centrale digitale di basso livello. Guardando dal lato economico l'applicazione del PWM gestita da Arduino è senz' altro una soluzione a basso costo con una buona prestazione dove la vediamo specialmente nel acquisto dei decoder e loro gestione, ( per alcuni saper intervenire sui valori delle CV rimane ancora un discorso troppo complesso che li fa desistere ) ma specialmente nel rinverdire vecchi plastici con una notevole quantità di loco. Anzi per chi è affezionato al analogico o non se la sente di avventurarsi nel digitale il PWM pilotato con Arduino potrà regalare molte soddisfazioni senza impegolarsi in complicazioni elettroniche digitali.
Basandomi sulla mia esperienza in Z ed anche in N l'utilizzo del PWM non fa rimpiangere il digitale ( possiedo due centrali e mi digitalizzo loco in N che Z ) anzi sui miei micro plastici posso dire che rimane la soluzione migliore. Quindi mi sento di consigliare questa tecnologia in sostituzione al classico trafo analogico e alle costose centrali DCC per una gestione più rilassata ma con soddisfazione.
Lascio agli amici più competenti la spiegazione tecnica sul PWM, ho solo voluto rimarcare che alcune soluzioni tecniche permettono di avere nel nostro hobby delle buone prestazioni
Roby - In ogni fermodellista in enne c'è un po di masochismo.

Avatar utente
sal727
Messaggi: 4065
Iscritto il: domenica 26 aprile 2015, 17:22
Nome: Salvatore
Regione: Emilia Romagna
Città: Bologna
Ruolo: Moderatore
Stato: Non connesso

Re: Regolatore in PWM con Arduino scala Z/1:220

#3 Messaggio da sal727 »

Roby, sono concorde alle tue affermazioni.
Ormai mi sono dedicato all'uso di Arduino per i miei progetti, c'è la possibilità di poterlo usare per molte azioni, non ultimo il controllo totale dell'impianto, più vado avanti e più mi affascina, la rete è una miniera di informazioni a riguardo, guardando il regolatore PWM ho notato che il creatore di questo progetto ha usato un Arduino fatto in casa, con una manciata di componenti si può fare, basta solamente programmare il chip e fare i collegamenti necessari
arduino-hardcore-schematic.jpg
naturalmente ho provato anche io a fare la mia made in home, ho fatto una basetta per poter testare i progetti, l'ho chiamata Salduino [98]
Salduino.jpg
c'è la parte alimentazione che usa un riduttore di tensione e sui piedini del chip ho inserito i vari contatti, con la possibilità di essere alimentati, fatto anche la connessione per programmare il processore (i sei piedini alla sx del chip) per utilizzare una scheda convertitore da usb a seriale ed usarla con l'IDE di Arduino, nella foto successiva la scheda è quella a dx collegata ad un altra basetta che utilizzo solo per programmare
programmatore.jpg
Non hai i permessi necessari per visualizzare i file allegati in questo messaggio.

Avatar utente
v200
Messaggi: 10416
Iscritto il: domenica 3 maggio 2015, 18:31
Nome: roberto
Regione: Piemonte
Città: Torino
Ruolo: Moderatore
Stato: Non connesso

Re: Regolatore in PWM con Arduino scala Z/1:220

#4 Messaggio da v200 »

Invidio la tua capacità in questo ambito, ma concordo che Arduino applicato al fermodellismo apre scenari incredibili.
Vero occorre un po di studio è manualità ma i risultati che si ottengono sono veramente di grandi soddisfazioni.
Roby - In ogni fermodellista in enne c'è un po di masochismo.

Avatar utente
sal727
Messaggi: 4065
Iscritto il: domenica 26 aprile 2015, 17:22
Nome: Salvatore
Regione: Emilia Romagna
Città: Bologna
Ruolo: Moderatore
Stato: Non connesso

Re: Regolatore in PWM con Arduino scala Z/1:220

#5 Messaggio da sal727 »

Devo fare una correzione allo schema del regolatore in PWM, l'alimentazione attraverso il pin Vin deve essere compresa da 7 a 12V, perchè c'è un regolatore di tensione che abbassa a 5V idonei per alimentare il processore, i 5V si possono usare se si deve alimentare direttamente il processore
Regolatore PWM.jpg
Non hai i permessi necessari per visualizzare i file allegati in questo messaggio.

Avatar utente
claudioredaelli
Messaggi: 404
Iscritto il: martedì 3 gennaio 2012, 16:42
Nome: Claudio
Regione: Lombardia
Città: Usmate Velate
Stato: Non connesso

Re: Regolatore in PWM con Arduino scala Z/1:220

#6 Messaggio da claudioredaelli »

soluzione molto interessante; nello schema non ho capito cosa sia il componente indicato come scheda rossa e collegato al motore
Claudio

Avatar utente
sal727
Messaggi: 4065
Iscritto il: domenica 26 aprile 2015, 17:22
Nome: Salvatore
Regione: Emilia Romagna
Città: Bologna
Ruolo: Moderatore
Stato: Non connesso

Re: Regolatore in PWM con Arduino scala Z/1:220

#7 Messaggio da sal727 »

E' una scheda driver per azionare i motori
http://ebmstore.it/index.php?route=prod ... uct_id=103

Avatar utente
Edgardo_Rosatti
Socio GAS TT
Messaggi: 5171
Iscritto il: venerdì 28 ottobre 2011, 0:59
Nome: Edgardo
Regione: Lombardia
Città: Muggiò
Età: 61
Stato: Non connesso

Re: Regolatore in PWM con Arduino scala Z/1:220

#8 Messaggio da Edgardo_Rosatti »

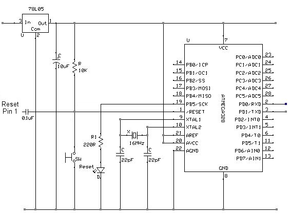
Bel lavoro Sal, aggiungo solo che quando si usa il microcontrollore ATMega328P fuori dall'ambito di Arduino si fa un Arduino "stand alone".
Basta avere un micro con il bootloader precaricato e la scheda Arduino non serve più. Ovviamente servono condensatori e cristallo per il clock, più il pulsante di reset.

Qui un circuito BT per un lampadario.
Non hai i permessi necessari per visualizzare i file allegati in questo messaggio.
ED

Avatar utente
sal727
Messaggi: 4065
Iscritto il: domenica 26 aprile 2015, 17:22
Nome: Salvatore
Regione: Emilia Romagna
Città: Bologna
Ruolo: Moderatore
Stato: Non connesso

Re: Regolatore in PWM con Arduino scala Z/1:220

#9 Messaggio da sal727 »

Si, in commercio ci sono i processori con e senza bootloader inserito, varia solamente il prezzo, se si prende vergine inserirlo è semplice si fa direttamente con l'IDE di Arduino mediante uno sketch già compreso negli esempi, collegando il processore e relativi componenti con una breadboard
isp_bb-1024x512.png
una volta caricato è già pronto per essere inserito in una schedina stand-alone e di conseguenza essere programmato per l'uso, si può programmare con un convertitore usb/seriale (come quello nel mio precedente post), attraverso la scheda Arduino con un procedimento specifico oppure semplicemente con la scheda di Arduino sostituendo il processore con quello da programmare.
Non hai i permessi necessari per visualizzare i file allegati in questo messaggio.

Avatar utente
claudioredaelli
Messaggi: 404
Iscritto il: martedì 3 gennaio 2012, 16:42
Nome: Claudio
Regione: Lombardia
Città: Usmate Velate
Stato: Non connesso

Re: Regolatore in PWM con Arduino scala Z/1:220

#10 Messaggio da claudioredaelli »

una domanda da incompetente ma incuriosito dalle potenzialità di Arduino:
se La scheda Arduino viene utilizzata per il regolatore PWM non può essere utilizzata per altro contemporaneamente? in altre parole per ogni eventuale progetto serve una scheda Arduino ad esso esclusivamente dedicato?
Claudio

Avatar utente
sal727
Messaggi: 4065
Iscritto il: domenica 26 aprile 2015, 17:22
Nome: Salvatore
Regione: Emilia Romagna
Città: Bologna
Ruolo: Moderatore
Stato: Non connesso

Re: Regolatore in PWM con Arduino scala Z/1:220

#11 Messaggio da sal727 »

Tutto dipende da quello che devi fare, una scheda Arduino uno ha 14 porte I/O (ingressi/uscite digitali) e 6 analogici che potrebbero essere anche usati come I/O digitali, al che diverrebbero in tutto 20 I/O oltre non può fare per cui bisogna valutare di quanti I/O si ha bisogno, inoltre ha un limite di capacità di memoria e un programma molto ampio potrebbe non sopportarlo, per avere più disponibilità si utilizza la Arduino mega oppure schedine appositamente create er espandere le porte (sempre considerando il limite di memoria), nel progetto del regolatore PWM si utilizzano 9 porte digitali e 3 analogiche ne rimarrebbero a disposizione 8 per altro uso, considera anche che più schede di arduino posono comunicare fra loro ed essere utilizzate per progetti più ampi.

Avatar utente
claudioredaelli
Messaggi: 404
Iscritto il: martedì 3 gennaio 2012, 16:42
Nome: Claudio
Regione: Lombardia
Città: Usmate Velate
Stato: Non connesso

Re: Regolatore in PWM con Arduino scala Z/1:220

#12 Messaggio da claudioredaelli »

mi può consigliare una guida semplice ( magari finalizzata al fermodellismo) per principianti all'uso di Arduino?
Claudio

Avatar utente
sal727
Messaggi: 4065
Iscritto il: domenica 26 aprile 2015, 17:22
Nome: Salvatore
Regione: Emilia Romagna
Città: Bologna
Ruolo: Moderatore
Stato: Non connesso

Re: Regolatore in PWM con Arduino scala Z/1:220

#13 Messaggio da sal727 »

Meglio che prima cerchi di capire come funziona Arduino, ci sono molti tutorial in rete, basta cercare "Tutorial Arduino", qui ne trovi uno
http://www.mauroalfieri.it/corso-arduino-on-line.html
poi una volta avendo capito come funziona puoi tranquillamente cercare in rete dei progetti che possono essere utilizzati per il plastico, se ne trovano parecchi su siti stranieri, ma se riesci a capire bene puoi farli tu, usa un linguaggio che si chiama C leggermente modificato per il suo uso
http://www.alberti-porro.gov.it/wordpre ... rduino.pdf
Se guardi sul sito del Gas TT Lab
http://gasttlab.altervista.org/gasttlab/
puoi trovare dei progetti già fatti a breve sarà anche disponibile un programmino per controllare i deviatoi con un solo pulsante e monitoraggio con led

Avatar utente
Glifos
Messaggi: 15
Iscritto il: mercoledì 20 aprile 2016, 18:39
Nome: ULIVIERO
Regione: Liguria
Città: Bolano
Stato: Non connesso

Re: Regolatore in PWM con Arduino scala Z/1:220

#14 Messaggio da Glifos »

Non sarebbe meglio,a questo punto,utilizzare un arduino nano.
Non si discosta molto da Arduino 1, con dodici i/o digitali(esluso d0 d1) e otto i/o analog,sfruttabili anche come digitali non mi sembra male.
La scheda è molto piu' piccola ,è gia' pronto e con 1.78€ l'uno ultimamente ne ho comprati 30.
Uliviero

Avatar utente
sal727
Messaggi: 4065
Iscritto il: domenica 26 aprile 2015, 17:22
Nome: Salvatore
Regione: Emilia Romagna
Città: Bologna
Ruolo: Moderatore
Stato: Non connesso

Re: Regolatore in PWM con Arduino scala Z/1:220

#15 Messaggio da sal727 »

Volendo si può anche utilizzare la micro che è anche più piccola, bisogna stare attenti alle connessioni dei piedini, per uno che inizia meglio l'Arduino uno che è il classico di tutti i tutorial.

Avatar utente
v200
Messaggi: 10416
Iscritto il: domenica 3 maggio 2015, 18:31
Nome: roberto
Regione: Piemonte
Città: Torino
Ruolo: Moderatore
Stato: Non connesso

Re: Regolatore in PWM con Arduino scala Z/1:220

#16 Messaggio da v200 »

Teoricamente occorre una scheda per ogni utilizzo, come sopra descritto queste schede hanno poca memoria quindi in base allo spazio che occupa il programma diventa facilissimo che la memoria si riempia subito.
Roby - In ogni fermodellista in enne c'è un po di masochismo.

Avatar utente
IpGio
Socio GAS TT
Messaggi: 4285
Iscritto il: domenica 20 maggio 2018, 9:22
Nome: Giorgio
Regione: Lombardia
Città: Nerviano
Ruolo: co-amministratore
Stato: Non connesso

Re: Regolatore in PWM con Arduino scala Z/1:220

#17 Messaggio da IpGio »

Discussione riaperta in memoria di Sal727 Salvatore... buon viaggio... caro amico .

Febbraio 2018. Salvatore ci mette pure Arduino per la piccola scala Z

Per rileggere questa discussione dall'inizio Clicca qui... .
Buona lettura...
[253]
[36] IpGio
Giorgio Nihil difficile volenti
N/TT/H0-Ep.III-IT GASTT/FIMF
IpGio I plastici di Gio https://www.gtg3b.it

Torna a “COLLEGAMENTI ELETTRICI”