Ho in progetto di motorizzare e digitalizzare i deviatoi (11 in totale) di una stazione di un amico, attualmente tutta manuale, per adattarla all'esercizio Fremo. Ho a disposizione i motori Tortoise per tutti i deviatoi. L'alimentazione accessoria per decoder e motori è 12V DC.
La mia idea sarebbe quella di comandare i deviatoi sia da centrale digitale che da sinottico analogico e vi spiego come:
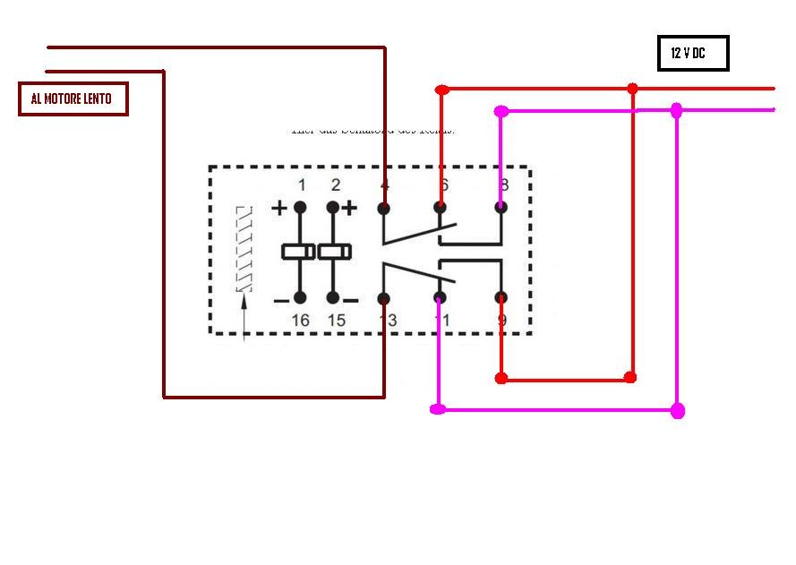
1) userei per ogni motore un relè bistabile a 2 vie con il quale invertire la polarità; qualsiasi decoder si usi è adatto, con i suoi tre collegamenti, a comandare le due bobine del relè.
2) vorrei però che le stesse due bobine del relè potessero essere comandate, non in contemporanea ovviamente, da un quadro sinottico analogico tramite pulsanti NA, secondo una logica a itinerari con una matrice di diodi di cui ho esperienza.
Il mio problema quindi riguarda il fatto che così facendo sui contatti delle bobine di ciascun relè ci sarebbero due collegamenti: ogni polo positivo al comune positivo del decoder (ad esempio) Esu switchpilot e al positivo del sinottico. Ogni polo negativo a una delle due uscite dell'Esu e ai contatti negativi dei pulsanti NA del sinottico.
Posto delle immagini esemplificative del relè bistabile in uso e dei collegamenti dei soli pulsanti NA usati in un altro sinottico.
Come posso fare per evitare interferenze tra i due tipi di collegamento sulle bobine?
Il quadro sinottico sarebbe collegato solo quando in uso con una presa Sub-D 25 poli e quindi durante il funzionamento tutto in digitale i collegamenti sarebbero aperti, come se non ci fossero.
Quando invece il quadro sinottico è collegato, potrei pensare di togliere l'alimentazione accessoria, tramite interruttore, ai decoder.
Secondo voi può funzionare così o devo adottare qualche ulteriore precauzione e/o separazione dei circuiti?
Pensavo a collegamenti optoisolati ma come fare?



Grazie