Novità in scala TT (1:120) - Novembre 2025

I trenini del Don - Capralba (CR) 2025


Ben arrivato! Fai login o registrati per fruire di tutte le funzionalità del forum e del sito.
Se eri già registrato e non ti ricordi la password usa questo link per recuperare l'accesso.
Sito e forum dedicati al fermodellismo, il nostro hobby viene praticato in molte maniere diverse, tutte ugualmente valide: hai un plastico? oppure sei un collezionista? oppure un semplice appassionato? Non esitare a scrivere nel forum, tutti gli interventi sono benvenuti... Postate foto e video del vostro plastico e chiedete aiuto per ogni problema o curiosità inerente al nostro hobby.
Rinnovo/Iscrizione/Donazioni GAS TT - 2026

ESU Switch Pilot V2 e Multimaus

Il sistema digitale (DCC) applicato al modellismo ferroviario.

Moderatori: MrMassy86, adobel55, lorelay49, Docdelburg

Messaggio
Autore
Avatar utente
Vincenzo Passalacqua
Messaggi: 282
Iscritto il: mercoledì 29 marzo 2017, 13:53
Nome: Vincenzo
Regione: Sicilia
Città: PALERMO
Stato: Non connesso

ESU Switch Pilot V2 e Multimaus

#1 Messaggio da Vincenzo Passalacqua »

Ho iniziato i lavori di digitalizzazione del mio plastico San Gottardo, in N, della DeA, e sono in possesso di un sistema digitale Multimaus con il quale mi sono dlettato, con soddisfazione, alla trazione dei miei rotabili digitali. Per il comando degli scambi, segnali e altri accessori, mi sono attrezzato con l'acquisto dei decoder ESU Switch Pilot V2 che conto di integrare successivamente con gli Extension. Ma, con mia grande delusione, all'interno delle confezioni ho trovato il manuale d'uso in lingua inglese e tedesca. Sbirciando in giro ho trovato e visto alcuni tutorial, grazie ai quali sono riuscito a far azionare correttamente gli otto scambi del mio tracciato. I decoder dispongono anche di due uscite per l'azionamento di servo ma di questo impiego non ho trovato nulla e il manuale non mi è di aiuto per i termini tecnici impiegati (nonostante me la cavi con l'inglese). Vi sarei grato se potreste descrivermi, in termini comprensibili anche per un astemio digitale come me, le modalità operative con il Multimaus Roco e i collegamenti da eseguire per azionare i due servo (per ciascun decoder)oltre che alle uscite scambi. Se poi qualche anima pia disponesse del manuale tradotto in italiano e volesse condividerlo con me, a lui andrebbe la mia perpetua riconoscenza. Anticipatamente grazie e resto in trepidante attesa.
Vincenzo


Vincenzo

Avatar utente
Docdelburg
Socio GAS TT
Messaggi: 6601
Iscritto il: martedì 4 settembre 2012, 18:16
Nome: Mauro
Regione: Estero
Città: Madrid (España)
Stato: Non connesso

Re: ESU Switch Pilot V2 e Multimaus

#2 Messaggio da Docdelburg »

Uso da tempo gli switch Pilot e l'uso è abbastanza semplice; non sto ovviamente a tradurti il manuale....
Dimmi cosa ti serve sapere, cioè fai domande mirate e vediamo di risolvere.
Tieni conto che le 4 uscite sono configurabili in 4 modi diversi a seconda che comandi motori a bobina, motori lenti, accessori come sganciavagoni e in continua per i segnali ferroviari.
Le due uscite per servo si regolano con alcune CV interne del decoder.

In ogni caso qui c'è il manuale online in inglese da cui, con un semplice copia e incolla, puoi avere una traduzione accettabile usando il traduttore.

http://www.esu.eu/uploads/tx_esudownloa ... ook_01.pdf

https://translate.google.it/

Avatar utente
Vincenzo Passalacqua
Messaggi: 282
Iscritto il: mercoledì 29 marzo 2017, 13:53
Nome: Vincenzo
Regione: Sicilia
Città: PALERMO
Stato: Non connesso

Re: ESU Switch Pilot V2 e Multimaus

#3 Messaggio da Vincenzo Passalacqua »

Ti ringrazio per il rapido riscontro. Hai ragione ho chiesto ma non ho chiesto nulla. Provo a formularti domande chiare:
- con il Multimaus posso programmare le CV per le due uscite servo?
- i motori Conrad in quale categoria rientrano e come devo operare se li volessi impiegare?
- il deviatore deve essere messo in K83 per i motori a solenoide, in K84 per i servo e segnali e co una configurazione mista solenoidi e servo?
- e con i conrad e servo?
Pensi che ce la posso fare digiuno come sono?
Tento la traduzione con translate come mi hai suggerito. Grazie per tutto.
Vincenzo
Vincenzo

Avatar utente
Docdelburg
Socio GAS TT
Messaggi: 6601
Iscritto il: martedì 4 settembre 2012, 18:16
Nome: Mauro
Regione: Estero
Città: Madrid (España)
Stato: Non connesso

Re: ESU Switch Pilot V2 e Multimaus

#4 Messaggio da Docdelburg »

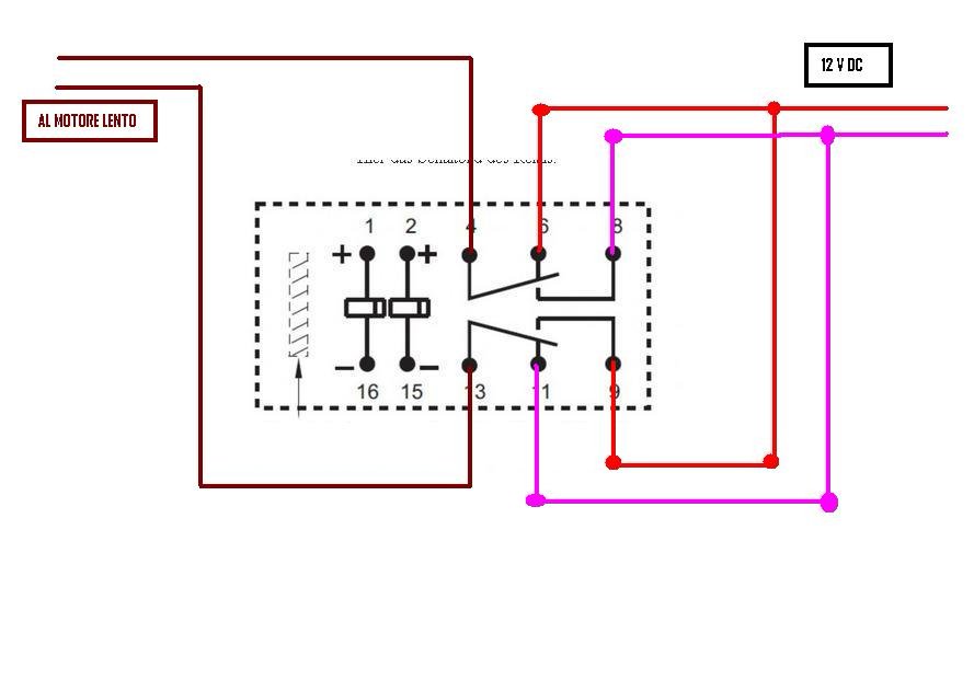
Lascia il decoder in modalità "USER" e non usare le K83 e K84.
Per la programmazione devi collegare il decoder come in figura
Immagine2.png
La resistenza sulla prima uscita serve per poter leggere le CV, cosa che non puoi fare con il Multimaus.
Per proseguire:

1° INDIRIZZO X 4 MOTORI: scegli indirizzo del deviatoio in centrale poi schiaccia bottone dello switch per 2 secondi. Il led lampeggia (on-off-on-off…). Aziona deviatoio e il led si illumina per 1 secondo poi si spegne. Fatto
2° INDIRIZZO X 2 SERVO: scegli indirizzo del deviatoio in centrale poi schiaccia bottone dello switch per 4 secondi. Il led lampeggia (on-on-off-on-on-off…). Aziona il deviatoio e led si illumina per 1 secondo poi si spegne. Fatto

A questo punto puoi comandare 4 motori a solenoide e due servomotori.
Per i servomotori dovrai modificare le CV che regolano il punto di partenza, quello di arrivo e la velocità di spostamento. Con il Multimaus sarà un pò complicato per via che non puoi leggere i valori delle CV ma ci si può arrivare.
Per i Conrad ( e per altri tipi di motori lenti come Tortoise e Tillig) devi usare una interfaccia tipo un relè bistabile; Esu propone infatti l'Extension per comandare i motori lenti. Se hai un minimo di dimestichezza con relè e saldatore puoi farti a poco prezzo quello che ti serve.

Avatar utente
Vincenzo Passalacqua
Messaggi: 282
Iscritto il: mercoledì 29 marzo 2017, 13:53
Nome: Vincenzo
Regione: Sicilia
Città: PALERMO
Stato: Non connesso

Re: ESU Switch Pilot V2 e Multimaus

#5 Messaggio da Vincenzo Passalacqua »

Fantastico. Tradotto manuale, programmato switch per solenoidi e per servo, programmato corsa e velocità dei servo. Infinitamente grazie. Il mio prossimo acquisto sarà l'Extension Esu con il quale vedrò di smanettare con segnali e accessori vari e led spia sul quadro sinottico che devo rifare di sana pianta. Grazie.
Vincenzo

P.S. Spero di darti meno scocciature possibili.
Vincenzo

Avatar utente
Docdelburg
Socio GAS TT
Messaggi: 6601
Iscritto il: martedì 4 settembre 2012, 18:16
Nome: Mauro
Regione: Estero
Città: Madrid (España)
Stato: Non connesso

Re: ESU Switch Pilot V2 e Multimaus

#6 Messaggio da Docdelburg »

Molto bene Vincenzo! [99]
Non farti problemi, per ogni dubbio ..... scrivi! :wink:

Quando sarà il momento cerca con Google il manuale online dell'Extension e vai di traduttore; come immagino sia successo, non è poi così difficile capire come usare i vari orpelli elettronici.

Permettimi una sola considerazione critica: se non li hai ancora.....lascia perdere i motori Conrad, sono i meno affidabili di tutti i motori lenti. :roll:
Molto meglio Tortoise e Tillig. :idea:

Avatar utente
Docdelburg
Socio GAS TT
Messaggi: 6601
Iscritto il: martedì 4 settembre 2012, 18:16
Nome: Mauro
Regione: Estero
Città: Madrid (España)
Stato: Non connesso

Re: ESU Switch Pilot V2 e Multimaus

#7 Messaggio da Docdelburg »

Giusto per solleticare la tua curiosità......
Questo è uno switch pilot che comanda, in un mio piccolo plastico dimostrativo, quattro motori lenti Tortoise.
DSC_3664.JPG
Come puoi vedere ho usato due piccole basette su cui alloggiano due relè bistabili a due vie; il relè bistabile si comporta come un interruttore a levetta a due vie, capace di invertire quindi i poli di alimentazione del motore che è poi quello che serve per farli funzionare.
Qui un interruttore a levetta a due vie per comandare un motore lento con una sorgente di corrente continua a circa 12V.
TILLIG WIRE.JPG
Analogamente un relè bistabile a due vie si comporta allo stesso modo; il decoder, con i suoi brevi impulsi, sostituisce l'azionamento della levetta, invertendo quindi i poli di alimentazione del motore.

Questo è lo schema dei contatti di un relè bistabile
relè.JPG
I poli 1, 2 , 15 e 16 sono comandati dalle uscite del decoder Esu (1 e 2 collegati al polo centrale positivo e gli altri alle due uscite in negativo).
Le altre uscite ricalcano lo schema dell'interruttore a due vie sopra illustrato.
relè3.JPG
In definitiva, con molti meno soldi ti costruisci l'equivalente dell'Esu Extension e soprattutto ne vai "orgoglione" perchè l'hai fatto tu! :lol:
Inoltre tieni conto che i segnali di feedback dei decoder Esu funzionano solo con centrale Esu Ecos e non con il Multimaus; se quindi hai bisogno di un sinottico il discorso va impostato in un modo un filino più complicato.

Se decidessi di cimentarti nell'opera ti posso assistere volentieri nel reperire materiali e applicare metodi.

Avatar utente
Vincenzo Passalacqua
Messaggi: 282
Iscritto il: mercoledì 29 marzo 2017, 13:53
Nome: Vincenzo
Regione: Sicilia
Città: PALERMO
Stato: Non connesso

Re: ESU Switch Pilot V2 e Multimaus

#8 Messaggio da Vincenzo Passalacqua »

Sei splendido con la tua disponibilità. Mi hai dato informazioni e suggerimenti per me importanti e fondamentali, senza questi brancolerei ancora nel buio. Faccio tesoro di quanto mi hai fornito e seguirò alla lettera i tuoi consigli, poi con i bistabili sono di casa. Per i Conrad invece ho chiesto solo perché me ne hanno regalato tre e da qualche giorno ci smanetto sopra per trovare un loro possibile impiego, a questo punto, estraneo all'azionamento degli scambi. Se in vera difficoltà farò ricorso al tuo aiuto. Grazie ancora e un cordiale abbraccio.
Vincenzo

Avatar utente
Docdelburg
Socio GAS TT
Messaggi: 6601
Iscritto il: martedì 4 settembre 2012, 18:16
Nome: Mauro
Regione: Estero
Città: Madrid (España)
Stato: Non connesso

Re: ESU Switch Pilot V2 e Multimaus

#9 Messaggio da Docdelburg »

Molto bene Vincenzo! [264]
Ora siamo curiosi di sapere qualcosa dei tuoi esperimenti che, se illustrerai e documenterai, saranno a beneficio di chi comincia dopo di te. :wink:

Avatar utente
Vincenzo Passalacqua
Messaggi: 282
Iscritto il: mercoledì 29 marzo 2017, 13:53
Nome: Vincenzo
Regione: Sicilia
Città: PALERMO
Stato: Non connesso

Re: ESU Switch Pilot V2 e Multimaus

#10 Messaggio da Vincenzo Passalacqua »

Docdelburg ha scritto: martedì 24 aprile 2018, 15:26 Molto bene Vincenzo! [264]
Ora siamo curiosi di sapere qualcosa dei tuoi esperimenti che, se illustrerai e documenterai, saranno a beneficio di chi comincia dopo di te. :wink:
Ho ripreso il modellismo ferroviario, in N, dopo una pausa forzata di circa 42 anni (la mia professione non mi consentiva deroghe) e , in considerazione del mio stato (pensionato) con tempo libero da dedicare ai miei cari e a me stesso, il plastico del San Gottardo della DeA è stato l'innesco di quel fuoco soffocato. In tutta sincerità devo dire che se, in concomitanta alla raccolta della DeA, non mi fossi casualmente imbattuto nel "GAS-TT" non mi sarei avventurato nell'impresa di ripartire. E grazie a Voi che, piano piano, sto risalendo la china cercando di rimmettermi al passo con tutte le innovazioni tecnologiche elettroniche-digitali che ai miei tempi era solo utopia. Stavo lavorando sul San Gottardo ed ero in dirittura di arrivo (in analogico, quello lo sapevo fare) quando mi sono imbattuto nel Digitale. Il passo successivo è stato quello di andare con i rotabili in digitale e lasciare all'analogico il controllo del resto (comando scambi, illuminazione, ecc). Le difficoltà non sono state poche ma chiedendo e rubacchiandovi qualche idea/soluzione sono arrivato fin quì. Ora vorrei coronare un piccolo sogno: realizzare in uno spazio di 140 x 80 ( è lo spazio che ho a disposizione - lo riporrei sotto al San Gottardo) un plastico, in piano, che comprenda molte possibilità di manovra (le adoro) con tanti binari paralleli e due tracciati con i quali potrei far girare 3 - 4 convogli contemporaneamente, con una piattaforma girevole, un passaggio a livello con barre funzionanti, un deposito loco a vapore con effetti, uno scalo merci con tanto di gru funzionante e altro - magari il tutto gestito da una Centralina ESU Ecos 2. Con questa premessa ho probabilmente giustificato gli "esperimenti" a cui facevo riferimento e l'interesse per i decoder Esu di cui ho chiesto lumi. Ho trovato in rete alcuni tracciati che rispondono alle mie aspettative che, con il vostro permesso vorrei in seguito sottoporre alla vostra attenzione e consenso. Perdonatemi per avervi annoiato, non lo farò più.
Vincenzo

Avatar utente
Vincenzo Passalacqua
Messaggi: 282
Iscritto il: mercoledì 29 marzo 2017, 13:53
Nome: Vincenzo
Regione: Sicilia
Città: PALERMO
Stato: Non connesso

Re: ESU Switch Pilot V2 e Multimaus

#11 Messaggio da Vincenzo Passalacqua »

Docdelburg ha scritto: lunedì 23 aprile 2018, 14:51 Lascia il decoder in modalità "USER" e non usare le K83 e K84.
Per la programmazione devi collegare il decoder come in figura

Immagine2.png

La resistenza sulla prima uscita serve per poter leggere le CV, cosa che non puoi fare con il Multimaus.
Per proseguire:

1° INDIRIZZO X 4 MOTORI: scegli indirizzo del deviatoio in centrale poi schiaccia bottone dello switch per 2 secondi. Il led lampeggia (on-off-on-off…). Aziona deviatoio e il led si illumina per 1 secondo poi si spegne. Fatto
2° INDIRIZZO X 2 SERVO: scegli indirizzo del deviatoio in centrale poi schiaccia bottone dello switch per 4 secondi. Il led lampeggia (on-on-off-on-on-off…). Aziona il deviatoio e led si illumina per 1 secondo poi si spegne. Fatto

A questo punto puoi comandare 4 motori a solenoide e due servomotori.
Per i servomotori dovrai modificare le CV che regolano il punto di partenza, quello di arrivo e la velocità di spostamento. Con il Multimaus sarà un pò complicato per via che non puoi leggere i valori delle CV ma ci si può arrivare.
Per i Conrad ( e per altri tipi di motori lenti come Tortoise e Tillig) devi usare una interfaccia tipo un relè bistabile; Esu propone infatti l'Extension per comandare i motori lenti. Se hai un minimo di dimestichezza con relè e saldatore puoi farti a poco prezzo quello che ti serve.

Forse ho cantato vittoria troppo presto. Per il primo switch pilot tutto è andato alla perfezione e così sono passato al secondo ma in programmazione ottengo: uscite per solenoidi dal 9 al 12 e fin qui tutto bene ma per i servo mi da le uscite come 5 e 6 (come al primo switch). Dove ho sbagliato? Aiuto!
Vincenzo

Avatar utente
Docdelburg
Socio GAS TT
Messaggi: 6601
Iscritto il: martedì 4 settembre 2012, 18:16
Nome: Mauro
Regione: Estero
Città: Madrid (España)
Stato: Non connesso

Re: ESU Switch Pilot V2 e Multimaus

#12 Messaggio da Docdelburg »

Visto che accennavi a voler usare dei servomotori ti segnalo queste mie due brevi discussioni

viewtopic.php?f=88&t=12853&hilit=servomotori

viewtopic.php?f=88&t=15717

Per quanto riguarda la programmazione dello SwitchPilot controlla bene di aver scelto l'indirizzo corretto del deviatoio con cui intendi programmarlo.
Dovresti fare la procedura con l'indirizzo deviatoio 13 sul display del Multimaus. A volte la procedura va ripetuta, perchè non sempre va a buon fine.
Ricorda che se i servo usano solo due uscite occuperanno comunque 4 indirizzi e di questo mi sembra tua abbia tenuto correttamente conto.

A margine, senza voler complicare le cose, tieni a memoria, in un angolo della tua mente, che passando dal Multimaus ad altra centrale gli indirizzi dei decoder deviatoi e accessori (non quelli delle loco) cambiano per un problema di compatibilità elettronica che non sto a spiegarti. Sta di fatto che agli indirizzi dati da altre centrali vanno aggiunte quattro unità come in questo esempio:
Deviatoio con indirizzo 15 dato da Esu o Intellibox o altro, per farlo funzionare col Multimaus devi aggiungere 4 unità, scegliendo quindi l'indirizzo 19.
Spesso succede anche l'inverso.

Avatar utente
Vincenzo Passalacqua
Messaggi: 282
Iscritto il: mercoledì 29 marzo 2017, 13:53
Nome: Vincenzo
Regione: Sicilia
Città: PALERMO
Stato: Non connesso

Re: ESU Switch Pilot V2 e Multimaus

#13 Messaggio da Vincenzo Passalacqua »

Ancora una volta con le tue indicazioni ho risolto anche se non capisco la logica del sistema, sempre che ci sia qualche cosa da capire, ma va bene così. Quindi nel primo switch : dall'1 al 4 per i deviatori a solenoide e 5 e 6 per i servo; nel secondo: dal 9 al 12 i solenoidi e 13 e 14 i servo.
Che dire se non ancora grazie.
Vincenzo

Avatar utente
Docdelburg
Socio GAS TT
Messaggi: 6601
Iscritto il: martedì 4 settembre 2012, 18:16
Nome: Mauro
Regione: Estero
Città: Madrid (España)
Stato: Non connesso

Re: ESU Switch Pilot V2 e Multimaus

#14 Messaggio da Docdelburg »

Vincenzo Passalacqua ha scritto: mercoledì 25 aprile 2018, 18:07 Ancora una volta con le tue indicazioni ho risolto anche se non capisco la logica del sistema, sempre che ci sia qualche cosa da capire, ma va bene così. Quindi nel primo switch : dall'1 al 4 per i deviatori a solenoide e 5 e 6 per i servo; nel secondo: dal 9 al 12 i solenoidi e 13 e 14 i servo.
Che dire se non ancora grazie.
La logica della Esu nel realizzare i suoi decoder considera evidentemente solo gruppi successivi di 4 indirizzi anche se le uscite per i servo sono solo due e questo è riportato in qualche parte delle istruzioni d'uso. Il perchè non ci è dato di sapere...... :roll: :wink:

Avatar utente
Vincenzo Passalacqua
Messaggi: 282
Iscritto il: mercoledì 29 marzo 2017, 13:53
Nome: Vincenzo
Regione: Sicilia
Città: PALERMO
Stato: Non connesso

Re: ESU Switch Pilot V2 e Multimaus

#15 Messaggio da Vincenzo Passalacqua »

Ok, prendo atto e vado avanti. Un cordiale abbraccio.
Vincenzo

Avatar utente
Vincenzo Passalacqua
Messaggi: 282
Iscritto il: mercoledì 29 marzo 2017, 13:53
Nome: Vincenzo
Regione: Sicilia
Città: PALERMO
Stato: Non connesso

Re: ESU Switch Pilot V2 e Multimaus

#16 Messaggio da Vincenzo Passalacqua »

Docdelburg ha scritto: mercoledì 25 aprile 2018, 18:15
Vincenzo Passalacqua ha scritto: mercoledì 25 aprile 2018, 18:07 Ancora una volta con le tue indicazioni ho risolto anche se non capisco la logica del sistema, sempre che ci sia qualche cosa da capire, ma va bene così. Quindi nel primo switch : dall'1 al 4 per i deviatori a solenoide e 5 e 6 per i servo; nel secondo: dal 9 al 12 i solenoidi e 13 e 14 i servo.
Che dire se non ancora grazie.
La logica della Esu nel realizzare i suoi decoder considera evidentemente solo gruppi successivi di 4 indirizzi anche se le uscite per i servo sono solo due e questo è riportato in qualche parte delle istruzioni d'uso. Il perchè non ci è dato di sapere...... :roll: :wink:
Docdelburg, ricorro al tuo aiuto sempre per il dec Switch Pilot di Esu anche se questa volta in una condizione diversa. Ho acquistato la Ecos 2 art. 50210'con la quale ho smanettato un po senza, per altro, trovare grosse difficoltà. Con questa centrale desidererei gestire il plastico del San Gottardo ed ho già avviato i lavori di riconversione in digitale. Vorrei effettuare il comando degli accessori - deviatoi e segnali- con la Ecos e gli Switch Pilot. Se ho ben capito con uno stesso decoder potrei comandare sia deviatoi a solenoidi che segnali a led. In pratica mi trovo con in indirizzo 1 uno deviatoio, con il 2 un segnale a led, con il 3 un secondo segnale a led e con il 4 un'altro deviatoio. Come devo procedere? Ho anche ipotizzato di modificare gli accessori dando gli indirizzi 1-4 ai deviatoi e 5-8 ai segnali settando il dec in K83 per i deviatoi e K84 per i segnali ma è questa procedura mi sembra un aggiramento del problema non una risoluzione. Mi aiuti?
Vincenzo

Avatar utente
Vincenzo Passalacqua
Messaggi: 282
Iscritto il: mercoledì 29 marzo 2017, 13:53
Nome: Vincenzo
Regione: Sicilia
Città: PALERMO
Stato: Non connesso

Re: ESU Switch Pilot V2 e Multimaus

#17 Messaggio da Vincenzo Passalacqua »

Vincenzo Passalacqua ha scritto: martedì 20 novembre 2018, 19:14
Docdelburg ha scritto: mercoledì 25 aprile 2018, 18:15
Vincenzo Passalacqua ha scritto: mercoledì 25 aprile 2018, 18:07 Ancora una volta con le tue indicazioni ho risolto anche se non capisco la logica del sistema, sempre che ci sia qualche cosa da capire, ma va bene così. Quindi nel primo switch : dall'1 al 4 per i deviatori a solenoide e 5 e 6 per i servo; nel secondo: dal 9 al 12 i solenoidi e 13 e 14 i servo.
Che dire se non ancora grazie.
La logica della Esu nel realizzare i suoi decoder considera evidentemente solo gruppi successivi di 4 indirizzi anche se le uscite per i servo sono solo due e questo è riportato in qualche parte delle istruzioni d'uso. Il perchè non ci è dato di sapere...... :roll: :wink:
Docdelburg, ricorro al tuo aiuto sempre per il dec Switch Pilot di Esu anche se questa volta in una condizione diversa. Ho acquistato la Ecos 2 art. 50210'con la quale ho smanettato un po senza, per altro, trovare grosse difficoltà. Con questa centrale desidererei gestire il plastico del San Gottardo ed ho già avviato i lavori di riconversione in digitale. Vorrei effettuare il comando degli accessori - deviatoi e segnali- con la Ecos e gli Switch Pilot. Se ho ben capito con uno stesso decoder potrei comandare sia deviatoi a solenoidi che segnali a led. In pratica mi trovo con in indirizzo 1 uno deviatoio, con il 2 un segnale a led, con il 3 un secondo segnale a led e con il 4 un'altro deviatoio. Come devo procedere? Ho anche ipotizzato di modificare gli accessori dando gli indirizzi 1-4 ai deviatoi e 5-8 ai segnali settando il dec in K83 per i deviatoi e K84 per i segnali ma è questa procedura mi sembra un aggiramento del problema non una risoluzione. Mi aiuti?

Naturalmente la mia richiesta di aiuto è estesa a tutti gli amici del forum che sono in possesso della Ecos 2 e/o hanno dimestichezza con lo SwitchPilot Esu. Anticipatamente ringrazio quanti vorranno darmi una mano a risolvere il problemino. Un cordialissimo abbraccio.
Vincenzo
Vincenzo

Avatar utente
corsaroromano
Messaggi: 54
Iscritto il: martedì 21 maggio 2013, 21:59
Nome: Giuseppe
Regione: Basilicata
Città: Potenza
Stato: Non connesso

Re: ESU Switch Pilot V2 e Multimaus

#18 Messaggio da corsaroromano »

Buona serata a tutti. Approfitto del tipo per chiedere aiuto. Sto cercando di programmare i servo collegati al decoder Esu switch pilota classico 50820. Ho effettuato i collegamenti alla centrale Esu e ho premuto il tasto fino a quando non ho due luci ripetute. Premo lo scambio che voglio assegnare al server e la luce si spegne ma il servo non funziona.
Cosa succede? Perché non funziona?
Grazie a tutti e buone feste
Giuseppe - La differenza tra adulti e bambini è il prezzo dei loro giocattoli

Avatar utente
Senialas
Messaggi: 841
Iscritto il: lunedì 8 ottobre 2012, 16:50
Nome: Roberto
Regione: Lombardia
Città: Gallarate
Stato: Non connesso

Re: ESU Switch Pilot V2 e Multimaus

#19 Messaggio da Senialas »

Giuseppe, come prima cosa devi capire che l'indirizzo della scheda decoder non è l'indirizzo del servo.
Mi spiego: se dai indirizzo 1 allo Switch Pilot (tramite un comando di commutazione del deviatoio 1), questo non è l'indirizzo del primo servo collegato.
Per azionare il servo devi usare l'indirizzo 5.
Analogamente, ad esempio, se dai l'indirizzo 13 alla scheda Switch Pilot, il primo servo si muoverà con l'indirizzo 17. E così via,
Poi se intendi usare i servo, il decoder più appropriato è lo Switch Pilot Servo.
Roberto M.

Avatar utente
corsaroromano
Messaggi: 54
Iscritto il: martedì 21 maggio 2013, 21:59
Nome: Giuseppe
Regione: Basilicata
Città: Potenza
Stato: Non connesso

Re: ESU Switch Pilot V2 e Multimaus

#20 Messaggio da corsaroromano »

Grazie Roberto. In mattinata ho smanettato parecchio e sono riuscito a configurare e montare sul plastico i decoder servo.
Funzionava tutto ed era tutto perfetto, però, montando il decoder sotto il plastico e collegando l'estensione con i tortoise, i servo non danno segni di vita.
Non capisco cosa non vada. L'unica cosa che mi viene in mente è che sul plastico utilizzo anche il trasformatore a corrente alternata, mentre in fase di programmazione avevo utilizzato il ponte, come indicato sul manuale? Potrebbe essere questo il problema?
Grazie a tutti
Giuseppe - La differenza tra adulti e bambini è il prezzo dei loro giocattoli

Avatar utente
Senialas
Messaggi: 841
Iscritto il: lunedì 8 ottobre 2012, 16:50
Nome: Roberto
Regione: Lombardia
Città: Gallarate
Stato: Non connesso

Re: ESU Switch Pilot V2 e Multimaus

#21 Messaggio da Senialas »

No. Io non uso gli Switch Pilot, ma basta leggere sulle istruzioni (cap.17) dove c'è scitto che possono essere alimentati in corrente alternata (fino a 18V) o in corrente continua (fino a 24V).
Prova a staccare l'estensione per vedere se riprendono a funzionare.
Roberto M.

Avatar utente
corsaroromano
Messaggi: 54
Iscritto il: martedì 21 maggio 2013, 21:59
Nome: Giuseppe
Regione: Basilicata
Città: Potenza
Stato: Non connesso

Re: ESU Switch Pilot V2 e Multimaus

#22 Messaggio da corsaroromano »

Grazie del consiglio Roberto, proverò. ma perché credi che il problema sia l'exstension?
Grazie
Giuseppe - La differenza tra adulti e bambini è il prezzo dei loro giocattoli

Avatar utente
Senialas
Messaggi: 841
Iscritto il: lunedì 8 ottobre 2012, 16:50
Nome: Roberto
Regione: Lombardia
Città: Gallarate
Stato: Non connesso

Re: ESU Switch Pilot V2 e Multimaus

#23 Messaggio da Senialas »

Non lo so. Però in questo modo cerco di circoscrivere il problema
Roberto M.

Avatar utente
Docdelburg
Socio GAS TT
Messaggi: 6601
Iscritto il: martedì 4 settembre 2012, 18:16
Nome: Mauro
Regione: Estero
Città: Madrid (España)
Stato: Non connesso

Re: ESU Switch Pilot V2 e Multimaus

#24 Messaggio da Docdelburg »

Come detto lo switch pilot ha una quaterna di indirizzi per le uscite per motori a bobina e una quaterna per i servo (anche se sono solo due).
L'extension risponde ai comandi inviati alla quaterna per le uscite dei motori a bobina e non a quelle dei servo.
Il tipo di alimentazione è indifferente.
Semmai attenzione alla numerazione che si imposta col Multimaus che spesso risulta essere di 4 unità in più di quannto realmente impostato.
Questo è quello che mi sento di dirti in relazione a quanto credo di aver capito dei tuoi problemi. Diversamente a disposizione per ulteriori dettagli.

In ogni caso un video di dimostrazione e spiegazione.



Avatar utente
corsaroromano
Messaggi: 54
Iscritto il: martedì 21 maggio 2013, 21:59
Nome: Giuseppe
Regione: Basilicata
Città: Potenza
Stato: Non connesso

Re: ESU Switch Pilot V2 e Multimaus

#25 Messaggio da corsaroromano »

Grazie per le spiegazioni. Ho fatto ulteriori prove e ho scollegato l'exstension ma il risultato non cambia. Il video l'avevo studiato bene ma non da indicazioni sull'utilizzo dei servo tramite il decoder classico. Inoltre, vorrei precisare che non è una questione di indirizzo, perché collegando il decoder e i servi tramite il solo segnale digitale prog funzionano e funzionano bene. Il problema si crea quando collego il decoder tramite il cavetto main e l'alimentatore alternato. I servi iniziano a ronzare ripetutamente e a frequenza costante, poi iniziano a muoversi lentamente e a scatti piccolissimi, ma senza raggiungere la posizione assegnata e a volte fermandosi nel mezzo della posizione.
Infine, non utilizzo il multimauss ma la Esu.
Giuseppe - La differenza tra adulti e bambini è il prezzo dei loro giocattoli

Torna a “DIGITALE”