o-o Novità in scala TT (1:120) - aprile 2026 o-o



Ben arrivato! Fai login o registrati per fruire di tutte le funzionalità del forum e del sito.
Se eri già registrato e non ti ricordi la password usa questo link per recuperare l'accesso.
Sito e forum dedicati al fermodellismo, il nostro hobby viene praticato in molte maniere diverse, tutte ugualmente valide: hai un plastico? oppure sei un collezionista? oppure un semplice appassionato? Non esitare a scrivere nel forum, tutti gli interventi sono benvenuti... Postate foto e video del vostro plastico e chiedete aiuto per ogni problema o curiosità inerente al nostro hobby.
Rinnovo/Iscrizione/Donazioni GAS TT - 2026



o-o GasTT in Tour 9/10 maggio 2026 - HMR Roma o-o

Illuminazione interna con Lenz Gold mini

Il sistema digitale (DCC) applicato al modellismo ferroviario.

Moderatori: MrMassy86, adobel55, lorelay49, Docdelburg

Messaggio
Autore
Avatar utente
Vincenzo Passalacqua
Messaggi: 282
Iscritto il: mercoledì 29 marzo 2017, 13:53
Nome: Vincenzo
Regione: Sicilia
Città: PALERMO
Stato: Non connesso

Illuminazione interna con Lenz Gold mini

#1 Messaggio da Vincenzo Passalacqua »

Vi chiedo un aiuto per trovare una soluzione a un problemino emerso durante la digitalizzazione di un Pendolino Minitrix BR-VT210 in N. La motrice ha il telaio a massa e dispone di presa NEM 651, a 6 poli. Ho tolto la scheda per l'analogico e inserito il decoder Lenz Gold mini, operazione riuscita e tutto funziona perfettamente. In analogico la loco era dotata di una lampadina per l'illuminazione interna che ho rimosso e vorrei sostituire con un LED smd a luce calda. Come posso elettricamente collegare, sempre che si possa fare, il LED per accenderlo, mi accontenterei di farlo anche in contemporanea, con le luci di direzione bianche-rosse (F0) indipendentemente dalla direzione selezionata e da ferma e non. Il decoder non ha uscite AUX oltre quelle delle luci direzionali (filo bianco e filo giallo) ma sono presenti tre piazzole a saldare destinate a : positivo U+, charge e GND. Potrebbero servire allo scopo? Posso montare in parallelo alla lampada a luce ant bianca il LED con la sua resistenza e altrettanto alla lampada luce post rossa (avrei cosi uno dei due LED sempre acceso) ma come collegarli elettricamente? Le lampade non hanno polarizzazione ma i LED si. Un capo andrebbe a massa con lo chassis? Avete qualche altra soluzione senza dover ricorrere a un altro decoder? Aiuto! Anticipatamente vi ringrazio.
Vincenzo


Vincenzo

Avatar utente
Digtrain
Messaggi: 1621
Iscritto il: giovedì 20 dicembre 2012, 23:47
Nome: Walter
Regione: Lombardia
Città: Casarile
Stato: Non connesso

Re: Illuminazione interna con Lenz Gold mini

#2 Messaggio da Digtrain »

Ciao Vincenzo, [99]
quando dici che "il telaio è a massa" intendi che è in comune con un binario?
Questo dovrebbe essere lo schema della tua motrice:
NEM651.gif
NEM651.gif (4.99 KiB) Visto 4395 volte
e questo lo schema dei piedini:
Screenshot_2020-11-26 Six Pin Plug for DCC NEM 651 - DCCWiki.png
Screenshot_2020-11-26 Six Pin Plug for DCC NEM 651 - DCCWiki.png (4.83 KiB) Visto 4395 volte
Secondo me è possibile collegare un led per l'illuminazione interna, se non hai fretta, domani faccio qualche esperimento e preparo uno schemino, a meno che i fantastici Roy e Marioscd non ti diano prima la soluzione!!! :) :)
Ciao Walter [100]
Walter-Il mio fisico è stato scolpito e modellato nelle migliori trattorie della Lomellina

Avatar utente
Vincenzo Passalacqua
Messaggi: 282
Iscritto il: mercoledì 29 marzo 2017, 13:53
Nome: Vincenzo
Regione: Sicilia
Città: PALERMO
Stato: Non connesso

Re: Illuminazione interna con Lenz Gold mini

#3 Messaggio da Vincenzo Passalacqua »

Grazie Walter per il cortesissimo e sollecito riscontro. Si ti confermo che un contatto di un binario è comune e collegato elettricamente con il telaio metallico della motrice. Ho provato diverse soluzioni ma l'accensione avviene o quando poggio la loco sul binario e do il "go" alla centrale (ESU ECOS2) o quando seleziono al loco e inizio il movimento. Se possibile vorrei poter accendere il led con F0 o in qualsiasi altro modo. Attendo fiducioso.
Un cordiale abbraccio Walter.
Vincenzo
Vincenzo

Avatar utente
Vincenzo Passalacqua
Messaggi: 282
Iscritto il: mercoledì 29 marzo 2017, 13:53
Nome: Vincenzo
Regione: Sicilia
Città: PALERMO
Stato: Non connesso

Re: Illuminazione interna con Lenz Gold mini

#4 Messaggio da Vincenzo Passalacqua »

E se riesco a trovare un ponte raddrizzatore a diodi piccolo ma molto piccolo e i capi di ingresso alternata li collego a una lampadina direzionale e i capi più e meno al diodo che succede? Boh...
Vincenzo

Avatar utente
MrPatato76
Socio GAS TT
Messaggi: 5886
Iscritto il: lunedì 27 agosto 2012, 11:14
Nome: Roberto
Regione: Lombardia
Città: Nova Milanese
Stato: Non connesso

Re: Illuminazione interna con Lenz Gold mini

#5 Messaggio da MrPatato76 »

Si può fare derivando l'alimentazione dai led di illuminazione, sempre che siano dotati di cavi e non siano saldati direttamente alla scheda.
Schema .jpg
Così però rimani vincolato all'attivazione tramite F0.
Roberto - Socio GasTT - Socio CMP

Avatar utente
Vincenzo Passalacqua
Messaggi: 282
Iscritto il: mercoledì 29 marzo 2017, 13:53
Nome: Vincenzo
Regione: Sicilia
Città: PALERMO
Stato: Non connesso

Re: Illuminazione interna con Lenz Gold mini

#6 Messaggio da Vincenzo Passalacqua »

MrPatato76, grande, ottima soluzione. Sono montate lampadine e non crea problemi al decoder vero? Ero sicuro che chiedendo aiuto sul nostro forum avrei trovato la soluzione. Grazie, provo e riporto i risultati.
Vincenzo

Avatar utente
MrPatato76
Socio GAS TT
Messaggi: 5886
Iscritto il: lunedì 27 agosto 2012, 11:14
Nome: Roberto
Regione: Lombardia
Città: Nova Milanese
Stato: Non connesso

Re: Illuminazione interna con Lenz Gold mini

#7 Messaggio da MrPatato76 »

Le lampade ad incandescenza non necessitato di resistenze.
I led per illuminare invece si.
Se riesci posta una foto della macchina e del suo PCB con il decoder.
Roberto - Socio GasTT - Socio CMP

Avatar utente
Senialas
Messaggi: 856
Iscritto il: lunedì 8 ottobre 2012, 16:50
Nome: Roberto
Regione: Lombardia
Città: Gallarate
Stato: Non connesso

Re: Illuminazione interna con Lenz Gold mini

#8 Messaggio da Senialas »

Roberto, ma se il telaio è collegato ad una rotaia, non va bene, perché ci sarà una corrente alternata (onda quadra).
Io collegherei l'anodo del led ( + resistenza) dopo i due diodi uscenti dal 3 e 4 nella figura di Digtrain (li c'è il + (positivo).
Bisogna poi tagliare il collegamento diretto tra i due diodi e le lampade, che saranno in serie, alternativamente, al led + resistenza, aggiunti.
Roberto M.

Avatar utente
Vincenzo Passalacqua
Messaggi: 282
Iscritto il: mercoledì 29 marzo 2017, 13:53
Nome: Vincenzo
Regione: Sicilia
Città: PALERMO
Stato: Non connesso

Re: Illuminazione interna con Lenz Gold mini

#9 Messaggio da Vincenzo Passalacqua »

Senialas ha scritto: venerdì 27 novembre 2020, 16:45 Roberto, ma se il telaio è collegato ad una rotaia, non va bene, perché ci sarà una corrente alternata (onda quadra).
Io collegherei l'anodo del led ( + resistenza) dopo i due diodi uscenti dal 3 e 4 nella figura di Digtrain (li c'è il + (positivo).
Bisogna poi tagliare il collegamento diretto tra i due diodi e le lampade, che saranno in serie, alternativamente, al led + resistenza, aggiunti.
Sono nella confusione più totale e digiuno di qualsiasi cognizione elettronica, vi chiedo quindi di inserire magari uno schemino terra terra. Qual'è la figura di Digtrain? Perdonate la mia incompetenza.
Vincenzo
Vincenzo

Avatar utente
Senialas
Messaggi: 856
Iscritto il: lunedì 8 ottobre 2012, 16:50
Nome: Roberto
Regione: Lombardia
Città: Gallarate
Stato: Non connesso

Re: Illuminazione interna con Lenz Gold mini

#10 Messaggio da Senialas »

Ciao Vincenzo.
La figura di Digtrain è quella postata nella prima risposta alla tua domanda.
Comunque la allego qui sotto con l'aggiunta dell'illuminazione interna.
Conviene cambiare anche le lampadine con i leds (come da figura). Inoltre risulta importante la scelta della luminosità del led per l'illuminazione interna, dato che è percorso dalla stessa corrente delle luci di marcia.
Io proverei con un resistore da 1000 o 1800 Ohm.
Allegati
2020-11-27_2026500.jpg
Roberto M.

Avatar utente
Vincenzo Passalacqua
Messaggi: 282
Iscritto il: mercoledì 29 marzo 2017, 13:53
Nome: Vincenzo
Regione: Sicilia
Città: PALERMO
Stato: Non connesso

Re: Illuminazione interna con Lenz Gold mini

#11 Messaggio da Vincenzo Passalacqua »

Roberto, innanzitutto grazie per esserti fatto carico del mio rompicapo. Mi risulta difficile se non impossibile sostituire le micro lampade direzionali, queste trovano posto in vani a misura ricavati dal pieno dello chassis e diffondono la luce (molto bella e soprattutto giusta) mediante un diffusore T molto variegato. Sono di fatto costretto a lavorare con le micro lampade quindi ricostruiro' il circuito su una main board millefiori e proverò il tutto in bianco prima di operare sul rotabile. Per la resistenza ok per 1K. Domani, approfittando della vostra disponibilità, posterò le foto del circuito della loco. Buona serata amici.
Vincenzo
Vincenzo

Avatar utente
MrPatato76
Socio GAS TT
Messaggi: 5886
Iscritto il: lunedì 27 agosto 2012, 11:14
Nome: Roberto
Regione: Lombardia
Città: Nova Milanese
Stato: Non connesso

Re: Illuminazione interna con Lenz Gold mini

#12 Messaggio da MrPatato76 »

Senialas ha scritto: venerdì 27 novembre 2020, 16:45 Roberto, ma se il telaio è collegato ad una rotaia, non va bene, perché ci sarà una corrente alternata (onda quadra).
Io collegherei l'anodo del led ( + resistenza) dopo i due diodi uscenti dal 3 e 4 nella figura di Digtrain (li c'è il + (positivo).
Bisogna poi tagliare il collegamento diretto tra i due diodi e le lampade, che saranno in serie, alternativamente, al led + resistenza, aggiunti.
Funzionerebbe solo con una componente della semionda.
Ed è per questo che ho chiesto di pubblicare una foto del pcb....senza possiamo solo fare ipotesi.
Roberto - Socio GasTT - Socio CMP

Avatar utente
Vincenzo Passalacqua
Messaggi: 282
Iscritto il: mercoledì 29 marzo 2017, 13:53
Nome: Vincenzo
Regione: Sicilia
Città: PALERMO
Stato: Non connesso

Re: Illuminazione interna con Lenz Gold mini

#13 Messaggio da Vincenzo Passalacqua »

Amici, come richiestomi vi posto le foto della parte elettrica della motrice. Nella foto "contatti PCB" ho evidenziato le connessioni elettriche che ho verificato con tester digitale e senza lo slot/scheda analogica che ho preventivamente rimosso. La presa NEM 651 sul PCB è conforme allo standard come da foto allegata. Spero che le immagini siano più eloquenti di qualsiasi altro commento e/o descrizione e tolgano ogni dubbio. Grazie del vostro aiuto e vi abbraccio.
Vincenzo
Allegati
Contatti NEM 651.png
Contatti NEM 651.png (7.71 KiB) Visto 4324 volte
Vista laterale.jpg
Vista laterale 2.jpg
Dall'alto.jpg
Contatti PCB.jpg
Vincenzo

Avatar utente
MrPatato76
Socio GAS TT
Messaggi: 5886
Iscritto il: lunedì 27 agosto 2012, 11:14
Nome: Roberto
Regione: Lombardia
Città: Nova Milanese
Stato: Non connesso

Re: Illuminazione interna con Lenz Gold mini

#14 Messaggio da MrPatato76 »

Dunque rispetto allo schema da me postato, se vuoi mettere i led, devi mettere in opportuna resistenza in serie al led.
Roberto - Socio GasTT - Socio CMP

Avatar utente
Vincenzo Passalacqua
Messaggi: 282
Iscritto il: mercoledì 29 marzo 2017, 13:53
Nome: Vincenzo
Regione: Sicilia
Città: PALERMO
Stato: Non connesso

Re: Illuminazione interna con Lenz Gold mini

#15 Messaggio da Vincenzo Passalacqua »

Quindi prendo in riferimento il tuo primo schema e metto una resistenza da 1k tra il LED e la massa del telaio, è corretto?
Vincenzo

Avatar utente
MrPatato76
Socio GAS TT
Messaggi: 5886
Iscritto il: lunedì 27 agosto 2012, 11:14
Nome: Roberto
Regione: Lombardia
Città: Nova Milanese
Stato: Non connesso

Re: Illuminazione interna con Lenz Gold mini

#16 Messaggio da MrPatato76 »

Si.
Ricordati di metterla anche sui led se vorrai sostituire le lampade.
Roberto - Socio GasTT - Socio CMP

Avatar utente
Vincenzo Passalacqua
Messaggi: 282
Iscritto il: mercoledì 29 marzo 2017, 13:53
Nome: Vincenzo
Regione: Sicilia
Città: PALERMO
Stato: Non connesso

Re: Illuminazione interna con Lenz Gold mini

#17 Messaggio da Vincenzo Passalacqua »

Ok, per evitare un possibile sfarfallio del LED di illuminazione dovuto al fatto che a massa sul telaio della loco, in digitale, non avrò sempre il positivo o sempre il negativo, mi hanno suggerito di prendere il positivo certo e fisso dal decoder. Sui Lenz il positivo, per intenderci il filo blu, si ricava saldando il filo su un componente del decoder che, a vista, sembrerebbe un diodo. Provato il tutto: F0 : si accende la luce direzionale bianca e il LED nel comparto viaggiatori, inversione di marcia: si accende la luce rossa e resta acceso il LED del comparto. FUNZIONA
Grazie a tutti, problema risolto.
Vincenzo

Avatar utente
MrPatato76
Socio GAS TT
Messaggi: 5886
Iscritto il: lunedì 27 agosto 2012, 11:14
Nome: Roberto
Regione: Lombardia
Città: Nova Milanese
Stato: Non connesso

Re: Illuminazione interna con Lenz Gold mini

#18 Messaggio da MrPatato76 »

Ottimo.
Roberto - Socio GasTT - Socio CMP

Avatar utente
Digtrain
Messaggi: 1621
Iscritto il: giovedì 20 dicembre 2012, 23:47
Nome: Walter
Regione: Lombardia
Città: Casarile
Stato: Non connesso

Re: Illuminazione interna con Lenz Gold mini

#19 Messaggio da Digtrain »

Ciao Vincenzo, [99]
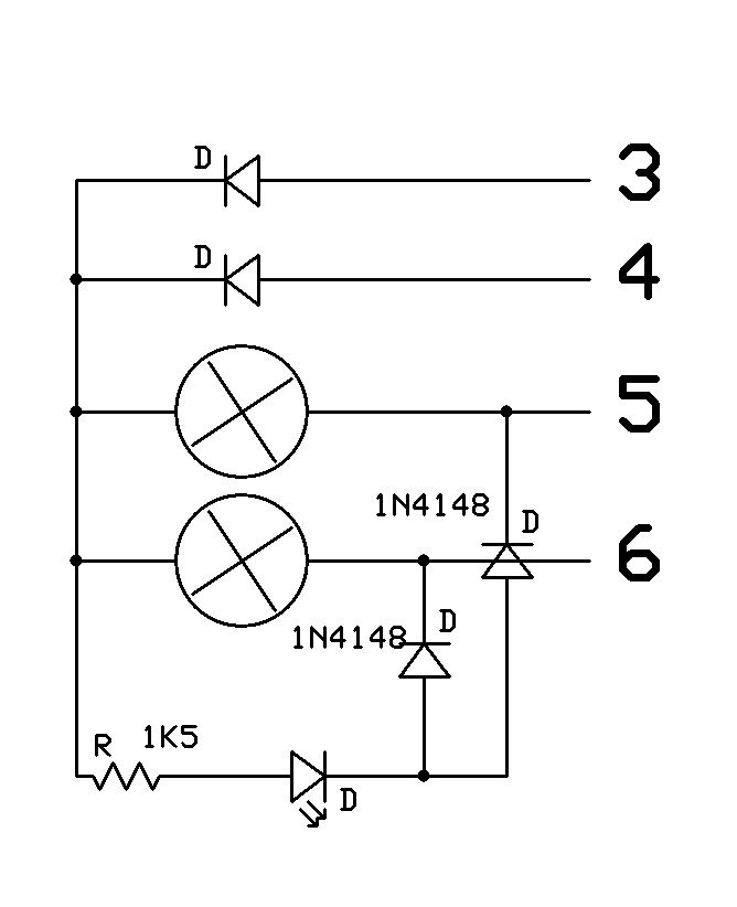
ho visto che hai risolto il problema, rispondo in ritardo, perchè ho avuto qualche problemino con gli elettrodomestici di casa [103] , io il circuito lo avrei fatto così:
Nem651Led.jpg
Ottima anche la tua soluzione, anzi ho imparato qualcosa di nuovo.
Ciao e buona domenica.
Walter [100]
Walter-Il mio fisico è stato scolpito e modellato nelle migliori trattorie della Lomellina

Avatar utente
Senialas
Messaggi: 856
Iscritto il: lunedì 8 ottobre 2012, 16:50
Nome: Roberto
Regione: Lombardia
Città: Gallarate
Stato: Non connesso

Re: Illuminazione interna con Lenz Gold mini

#20 Messaggio da Senialas »

Scusa Walter, lo hai provato?
Secondo me il led non si accende, dato che l'impedenza delle lampade (per di più in parallelo) è molto inferiore ai 1500 Ohm del percorso con il led.
Roberto M.

Avatar utente
Digtrain
Messaggi: 1621
Iscritto il: giovedì 20 dicembre 2012, 23:47
Nome: Walter
Regione: Lombardia
Città: Casarile
Stato: Non connesso

Re: Illuminazione interna con Lenz Gold mini

#21 Messaggio da Digtrain »

No, non ho un decoder NEM651, io avrei provato così!!
Sono uno "smanettone" e dopo avrei aggiustato strada facendo!! [99]
Walter-Il mio fisico è stato scolpito e modellato nelle migliori trattorie della Lomellina

Torna a “DIGITALE”