GAS TT - Gruppo Appassionati Scala TT
GAS TT - Gruppo Appassionati Scala TT
GAS TT - Gruppo Appassionati Scala TT
GAS TT - Gruppo Appassionati Scala TT
GAS TT - Gruppo Appassionati Scala TT
GAS TT - Gruppo Appassionati Scala TT
Indietro

Norma GasTT

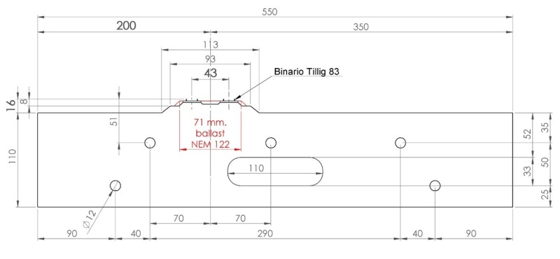
16. DISEGNO TESTATA A Norma GasTT

Testata pannello a Norma GasTT
Testata pannello a Norma GasTT

ATTENZIONE!!! Si faccia sempre riferimento alla Norma GasTT in formato cartaceo.

ACQUISTO TESTATE
Il GAS TT ha acquistato le TESTATE, con taglio al laser, in multistrato di betulla da 15 mm. e le dime che vengono ricavate da un foglio di 150 cm x 150 cm come da disegno sottostante.
Sarà possibile acquistarle al prezzo di costo che è estremamente conveniente.
L'iniziativa non ha alcun scopo di lucro ed ha il solo obiettivo di incentivare lo sviluppo della scala TT anche in Italia e di coinvolgere più appassionati possibili nella realizzazione di un modulo a Norma GasTT.

GAS TT - Taglio laser testate
GAS TT - Taglio laser testate

Indietro
Copyright 2009 - - Webmaster A. ALTROCCHI - Web Designer G. TREBBI

Il sito ScalaTT.it utilizza cookie solamente nel forum. I cookie sono esclusivamente utilizzati, nel rispetto della Legge sulla Protezione dei dati (RGPD) - 2018, per un migliore utilizzo del forum. Qui trovate le regole a cui ci atteniamo Cookie Policy Sito ScalaTT e Forum GAS TT. Il sito ScalaTT.it non ha scopo di lucro, non è una testata giornalistica e viene aggiornato senza alcuna periodicità fissa (pertanto non può considerarsi un prodotto editoriale - legge n. 62 del 7/3/2001). Immagini e testi sono coperti da diritti e possono essere utilizzati solo se autorizzati.