Novità in scala TT (1:120) - Novembre 2025

I trenini del Don - Capralba (CR) 2025


Ben arrivato! Fai login o registrati per fruire di tutte le funzionalità del forum e del sito.
Se eri già registrato e non ti ricordi la password usa questo link per recuperare l'accesso.
Sito e forum dedicati al fermodellismo, il nostro hobby viene praticato in molte maniere diverse, tutte ugualmente valide: hai un plastico? oppure sei un collezionista? oppure un semplice appassionato? Non esitare a scrivere nel forum, tutti gli interventi sono benvenuti... Postate foto e video del vostro plastico e chiedete aiuto per ogni problema o curiosità inerente al nostro hobby.
Rinnovo/Iscrizione/Donazioni GAS TT - 2026

Una "mensola" punto a punto in scala N

Discussioni relative alla scala N 1:160

Moderatori: MrMassy86, adobel55, lorelay49

Messaggio
Autore
Avatar utente
wmax53
Socio GAS TT
Messaggi: 878
Iscritto il: venerdì 15 giugno 2012, 22:03
Nome: Massimo
Regione: Lombardia
Città: Assago
Stato: Non connesso

Re: Una "mensola" punto a punto in scala N

#126 Messaggio da wmax53 »

....anche a casa mia ... :D :D ...ottimo lavoro Ed !!


Ciao Massimo

Avatar utente
Edgardo_Rosatti
Socio GAS TT
Messaggi: 5163
Iscritto il: venerdì 28 ottobre 2011, 0:59
Nome: Edgardo
Regione: Lombardia
Città: Muggiò
Età: 61
Stato: Non connesso

Re: Una "mensola" punto a punto in scala N

#127 Messaggio da Edgardo_Rosatti »

Col fondale è meglio.
Fondale
Fondale
Grazie a tutti neh!
ED

Avatar utente
Edgardo_Rosatti
Socio GAS TT
Messaggi: 5163
Iscritto il: venerdì 28 ottobre 2011, 0:59
Nome: Edgardo
Regione: Lombardia
Città: Muggiò
Età: 61
Stato: Non connesso

Re: Una "mensola" punto a punto in scala N

#128 Messaggio da Edgardo_Rosatti »

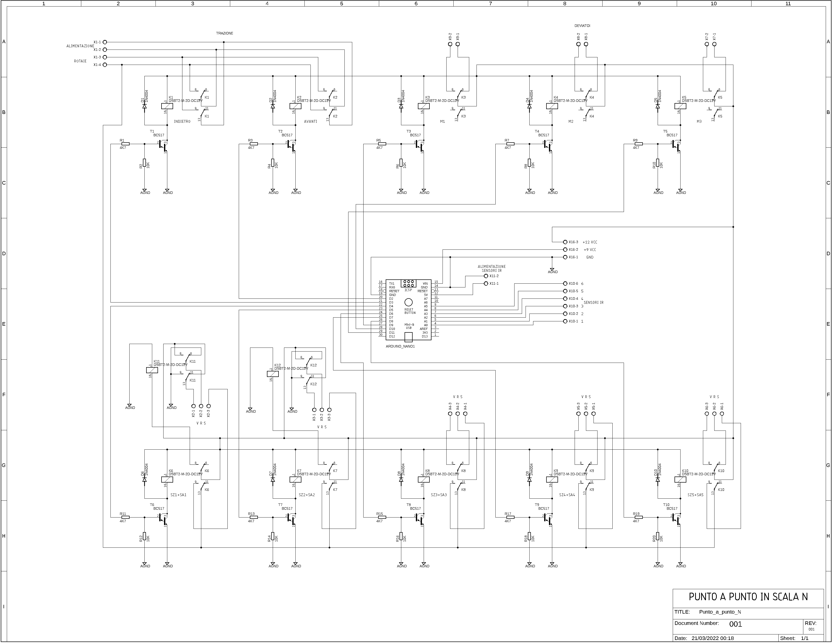
Aggiornamento schema elettrico:
Schema eletrico
Schema eletrico
Nel centro è visibile un Arduino Nano che essendo molto compatto ben si presta per essere montato su una scheda millefori da 10x16 cm.
Sceda millefori
Sceda millefori
Nello spazio circostante all'Arduino verranno montati dei relè con relativi transistor di gestione (NPN tipo BC547) per il comando dei deviatoi e dei segnali/sezionamenti.
Anche l'alimentazione avanti/indietro sarà gestita da un paio di relè.

Due dei 5 segnali sono un po' vecchiotti e utilizzano dei led rosso/verde bicolore bipolari. Cioè, in base a come vengono polarizzati si accende una luce verde o rossa.
Questi segnali utilizzano relè a due scambi come invertitori.

Gli altri 3 segnali invece hanno 3 fili; negativo, verde e rosso; più facili da gestire.
Sono tutti e 5 di Lineamodel.

Infine vi sono i tre motori elettromagnetici per i deviatoi del tipo Roco sottoplancia 10030:
https://www.ebay.it/itm/264074335024

Altri collegamenti all'Arduino riguardano gli input provenienti dai sensori ad infrarossi collegati alle porte da A0 ad A5.
Input necessari per "leggere" l'arrivo dei treni sugli stazionamenti dei 5 tronchini e sul PL.
ED

Avatar utente
FrancoV
Messaggi: 1558
Iscritto il: sabato 15 febbraio 2020, 17:45
Nome: Franco
Regione: Piemonte
Città: Bosconero
Stato: Non connesso

Re: Una "mensola" punto a punto in scala N

#129 Messaggio da FrancoV »

Edgardo_Rosatti ha scritto: domenica 20 marzo 2022, 23:47 Col fondale è meglio.

Fondale.jpg

Grazie a tutti neh!
Molto bello, anche se rimango dell'idea che se da una stazione non si vedesse l'atra sarebbe anche meglio :-)
Franco -Etroit, quoi qu'il soit!

Avatar utente
IpGio
Socio GAS TT
Messaggi: 4261
Iscritto il: domenica 20 maggio 2018, 9:22
Nome: Giorgio
Regione: Lombardia
Città: Nerviano
Ruolo: co-amministratore
Stato: Non connesso

Re: Una "mensola" punto a punto in scala N

#130 Messaggio da IpGio »

Edgardo_Rosatti ha scritto: domenica 20 marzo 2022, 23:47 Col fondale è meglio.

Fondale.jpg

Grazie a tutti neh!
Ma viene su di un bello! [264]
[36] IpGio
Giorgio Nihil difficile volenti
N/TT/H0-Ep.III-IT GASTT/FIMF
IpGio I plastici di Gio https://www.gtg3b.it

Avatar utente
v200
Messaggi: 10415
Iscritto il: domenica 3 maggio 2015, 18:31
Nome: roberto
Regione: Piemonte
Città: Torino
Ruolo: Moderatore
Stato: Non connesso

Re: Una "mensola" punto a punto in scala N

#131 Messaggio da v200 »

Seguo con piacere
Roby - In ogni fermodellista in enne c'è un po di masochismo.

Avatar utente
Andrea
Socio GAS TT
Messaggi: 23665
Iscritto il: mercoledì 26 ottobre 2011, 19:42
Nome: Andrea
Regione: Lombardia
Città: Milano
Ruolo: Amministratore
Stato: Non connesso

Re: Una "mensola" punto a punto in scala N

#132 Messaggio da Andrea »

Edgardo_Rosatti ha scritto: domenica 20 marzo 2022, 23:47 Col fondale è meglio.
Decisamente. [264]
Andrea - “I fermodellisti sono tanti e legati da un'amicizia sincera, che esplode in una cordialità ormai rara nel mondo rumoroso ed incerto di oggi”. La valle incantata

C_A
Messaggi: 3211
Iscritto il: giovedì 1 ottobre 2015, 23:14
Nome: FM
Regione: Estero
Città: --
Età: 68
Stato: Non connesso

Re: Una "mensola" punto a punto in scala N

#133 Messaggio da C_A »

Edgardo_Rosatti ha scritto: domenica 20 marzo 2022, 23:47 Col fondale è meglio.
Il fondale rimarrà così o gli darai una profondità, con la strada che continua dopo il passaggio a livello incustodito e tutto il paesaggio intorno?
Ciao!!!

Avatar utente
Edgardo_Rosatti
Socio GAS TT
Messaggi: 5163
Iscritto il: venerdì 28 ottobre 2011, 0:59
Nome: Edgardo
Regione: Lombardia
Città: Muggiò
Età: 61
Stato: Non connesso

Re: Una "mensola" punto a punto in scala N

#134 Messaggio da Edgardo_Rosatti »

Lo sfondo è celeste monocromatico, semplicemente perché non sono capace a dipingere e se ci provassi so che non otterrei un buon risultato.
Inoltre penso che in questo caso, un fondale debba essere il più sterile possibile. Comunque si può svitare così da poterlo modificare in futuro.

Il passaggio a livello sarà a barriere ed è in fase di progettazione in fotoincisione, così come la staccionata FS ed i lampioni a cetra.
PL
PL
La strada è stata dipinta con la segnaletica verticale:
Strada
Strada
Per la realizzazione delle striscie bianche e gialle sulle banchine ho utilizzato dei pennarelli di vernice sottili e una penna di "bianchetto correttore":
Penne
Penne
Infine sono comparse due squadre; una di Carabinieri nella stazione di Altolà:
Carabinieri
Carabinieri
Carabinieri
Carabinieri
Ud una di armatori sul deviatoio che porta a Piovarolo:
Armatori
Armatori
Armatori
Armatori
ED

Avatar utente
morese
Socio GAS TT
Messaggi: 255
Iscritto il: lunedì 2 settembre 2013, 17:21
Nome: Lorenzo
Regione: Puglia
Città: giovinazzo
Stato: Non connesso

Re: Una "mensola" punto a punto in scala N

#135 Messaggio da morese »

Due sole parole Ed ... ti invidio !

Avatar utente
Egidio
Messaggi: 14257
Iscritto il: giovedì 17 maggio 2012, 13:26
Nome: Egidio
Regione: Abruzzo
Città: Ortona
Stato: Non connesso

Re: Una "mensola" punto a punto in scala N

#136 Messaggio da Egidio »

Bello, molto bello....Saluti. Egidio. [51]
Egidio Lofrano

Avatar utente
IpGio
Socio GAS TT
Messaggi: 4261
Iscritto il: domenica 20 maggio 2018, 9:22
Nome: Giorgio
Regione: Lombardia
Città: Nerviano
Ruolo: co-amministratore
Stato: Non connesso

Re: Una "mensola" punto a punto in scala N

#137 Messaggio da IpGio »

Sul fondale...
Non so se sia realizzabile nel tuo caso... ma...
Il fondale è sempre meglio concepirlo... smontabile... se possibile... e double face... in modo da poter variare la veduta a nostro piacimento.
Per variare un attimo il cielo, suvvia Edgardo, mano al pennello e qualche colpetto di bianco non ci sta male.
Fai delle prove sul rovescio del tuo fondale e non esitare nel provare a dipingere qualche nuvola.
Tieni presente che le nuvole non sono tutte uguali sotto il nostro cielo.
Il bianco è più brillante verso il sole mentre verso terra o nellla parte opposta al sole tende ad ingrigirsi...
Tralascio le situazioni di alba e tramonto e invito Te e tutti gli amici che ci leggono a tenere il naso verso il cielo... in vari momenti del giorno lungo le 24h e ad esercitarsi con pennello e fantasia... il divertimento è assicurato.
Prova Ed... sarà un successo!
[253]
[36] IpGio
Giorgio Nihil difficile volenti
N/TT/H0-Ep.III-IT GASTT/FIMF
IpGio I plastici di Gio https://www.gtg3b.it

C_A
Messaggi: 3211
Iscritto il: giovedì 1 ottobre 2015, 23:14
Nome: FM
Regione: Estero
Città: --
Età: 68
Stato: Non connesso

Re: Una "mensola" punto a punto in scala N

#138 Messaggio da C_A »

Un fondale dinamico e di profondità è un plastico in due dimensioni: come nel plastico bisogna prevedere e immaginare con la difficoltà della profondità di prospettiva.
Il tuo lavoro è ben fatto e vai avanti come ti senti di fare!
Ciao!!!

Avatar utente
donato cassano
Messaggi: 7
Iscritto il: venerdì 25 ottobre 2013, 18:01
Nome: Donato
Regione: Veneto
Città: Este
Stato: Non connesso

Re: Una "mensola" punto a punto in scala N

#139 Messaggio da donato cassano »

Edgardo_Rosatti ha scritto: martedì 15 marzo 2022, 23:48 Aggiornamento ballast:
Mi piace come idea di operatività.
E' un vero peccato aver utilizzato un ballast completamente fuori scala
Donato Cassano

Avatar utente
Edgardo_Rosatti
Socio GAS TT
Messaggi: 5163
Iscritto il: venerdì 28 ottobre 2011, 0:59
Nome: Edgardo
Regione: Lombardia
Città: Muggiò
Età: 61
Stato: Non connesso

Re: Una "mensola" punto a punto in scala N

#140 Messaggio da Edgardo_Rosatti »

Avete tutti ragione e vi ringrazio per le critiche/suggerimenti :-)

Il ballast è decisamente fuori scala e le foto da vicino non fanno altro che evidenziarlo. A tale scopo avrei pensato di aggiungerne uno molto fine e di verniciarlo con tinte tendenti al marrone molto diluite.
Per i fondali ora stanno così, poi in futuro come dicevo, posso sempre modificarli e/o sostituirli (sono due semplici pannelli rettangolari).
Ora preferisco concentrarmi su tutte quelle cose mancanti e per me più importanti per il completamento del diorama.

Oggi ho insetito i paletti a lato strada:
IMG_20220324_222338.jpg
IMG_20220324_222333.jpg
IMG_20220324_222333.jpg (14.32 KiB) Visto 4230 volte
IMG_20220324_222327.jpg
IMG_20220324_222313.jpg
IMG_20220324_222305.jpg
IMG_20220324_222305.jpg (16.14 KiB) Visto 4229 volte
ED

Avatar utente
IpGio
Socio GAS TT
Messaggi: 4261
Iscritto il: domenica 20 maggio 2018, 9:22
Nome: Giorgio
Regione: Lombardia
Città: Nerviano
Ruolo: co-amministratore
Stato: Non connesso

Re: Una "mensola" punto a punto in scala N

#141 Messaggio da IpGio »

Sempre graditi gli aggiornamenti. [264]
Solo un appunto, il PL...
Che faccio se con un autoarticolato sto per immettermi sulla strada dal passaggio a livello e dovendo dare la precedenza sono fermo in attesa del transito di eventuali autoveicoli e in questo frangente il PL viene chiuso?
Ciauz....
[253]
[36] IpGio
Giorgio Nihil difficile volenti
N/TT/H0-Ep.III-IT GASTT/FIMF
IpGio I plastici di Gio https://www.gtg3b.it

C_A
Messaggi: 3211
Iscritto il: giovedì 1 ottobre 2015, 23:14
Nome: FM
Regione: Estero
Città: --
Età: 68
Stato: Non connesso

Re: Una "mensola" punto a punto in scala N

#142 Messaggio da C_A »

Il PL della circumetnea, all'altezza della zona borgo, dove c'è una scuola elementare, presenza gli stessi problemi per ragioni di traffico automobilistico, code, soprattutto quando i bambini escono da scuola (in questi tempi il problema si è sentito di meno); la zona in questione e proprio su una stazione. Quando un veicolo è in difficoltà, le sbarre del PL rimangono alzate e i treni fermi, finché la zona del PL è libera. Il veicolo che segue quello in difficoltà non deve attraversare il PL ma rimanere fermo come se le sbarre sono abbassate. Appena la zona del PL è libera le sbarre si abbassano. Faccio notare che il PL che descrivo è in una zona molto trafficata. Una volta è toccato a me a trovarmi in difficoltà: la colonna d'auto non andava avanti, il PL è rimasto in attesa fino a quando ho liberato la zona; le sbarre si sono abbassate dietro di me.

Avatar utente
FrancoV
Messaggi: 1558
Iscritto il: sabato 15 febbraio 2020, 17:45
Nome: Franco
Regione: Piemonte
Città: Bosconero
Stato: Non connesso

Re: Una "mensola" punto a punto in scala N

#143 Messaggio da FrancoV »

IpGio ha scritto: giovedì 24 marzo 2022, 22:57 Sempre graditi gli aggiornamenti. [264]
Solo un appunto, il PL...
Che faccio se con un autoarticolato sto per immettermi sulla strada dal passaggio a livello e dovendo dare la precedenza sono fermo in attesa del transito di eventuali autoveicoli e in questo frangente il PL viene chiuso?
Ciauz....
[253]
[36] IpGio
Ti attacchi ... tiri giù qualche santo .... e aspetti (nel frattempo spegni il motore e accendi i lampeggianti) ;-) [263]
Franco -Etroit, quoi qu'il soit!

Avatar utente
donato cassano
Messaggi: 7
Iscritto il: venerdì 25 ottobre 2013, 18:01
Nome: Donato
Regione: Veneto
Città: Este
Stato: Non connesso

Re: Una "mensola" punto a punto in scala N

#144 Messaggio da donato cassano »

Criss Amon ha scritto: giovedì 24 marzo 2022, 23:29 Il PL della circumetnea, all'altezza della zona borgo, dove c'è una scuola elementare, presenza gli stessi problemi per ragioni di traffico automobilistico, code, soprattutto quando i bambini escono da scuola
Un attraversamento cosi lo vedo poco realistico. Avrei preferito una soluzione del genere:
Allegati
Immagine.png
Immagine.png (8.48 KiB) Visto 4206 volte
Donato Cassano

C_A
Messaggi: 3211
Iscritto il: giovedì 1 ottobre 2015, 23:14
Nome: FM
Regione: Estero
Città: --
Età: 68
Stato: Non connesso

Re: Una "mensola" punto a punto in scala N

#145 Messaggio da C_A »

Donato, avrai cento volte ragione, ma a Catania Stazione Borgo Circumetnea, due PL addirittura, su via Caronda e via Empedocle, è simile plastico di Edgardo. Per prudenza, nel caso di treno in arrivo, le sbarre del PL si abbassano in anticipo creando alle auto lunghe attese.
Allegati
IMG_1624.JPG

Avatar utente
Edgardo_Rosatti
Socio GAS TT
Messaggi: 5163
Iscritto il: venerdì 28 ottobre 2011, 0:59
Nome: Edgardo
Regione: Lombardia
Città: Muggiò
Età: 61
Stato: Non connesso

Re: Una "mensola" punto a punto in scala N

#146 Messaggio da Edgardo_Rosatti »

Anche in Valtellina è pieno di PL fatti così.

Qui siamo in zona Ardenno Masino (SS38 dello Stelvio, Via Buzzi):
https://www.google.it/maps/@46.1633742, ... a=!3m1!1e3

https://www.google.it/maps/@46.1634307, ... 384!8i8192
ED

Avatar utente
Edgardo_Rosatti
Socio GAS TT
Messaggi: 5163
Iscritto il: venerdì 28 ottobre 2011, 0:59
Nome: Edgardo
Regione: Lombardia
Città: Muggiò
Età: 61
Stato: Non connesso

Re: Una "mensola" punto a punto in scala N

#147 Messaggio da Edgardo_Rosatti »

Aggiornamento linea aerea.

Oggi mi sono arrivati i kit da Lineamodel, qui sotto l'unboxing:
10 pali M26 + 210 mm di catenaria
10 pali M26 + 210 mm di catenaria
Questi 7 li avevo in casa già assemblati (M26)
Questi 7 li avevo in casa già assemblati (M26)
ED

C_A
Messaggi: 3211
Iscritto il: giovedì 1 ottobre 2015, 23:14
Nome: FM
Regione: Estero
Città: --
Età: 68
Stato: Non connesso

Re: Una "mensola" punto a punto in scala N

#148 Messaggio da C_A »

Ottimo Edgardo!! [104]
Una curiosità: LineaModel è la cooperativa "Il Treno" degli anni novanta? Se sì, attento: sono bellissimi ma delicati. [98]
Ciao!!

Avatar utente
IpGio
Socio GAS TT
Messaggi: 4261
Iscritto il: domenica 20 maggio 2018, 9:22
Nome: Giorgio
Regione: Lombardia
Città: Nerviano
Ruolo: co-amministratore
Stato: Non connesso

Re: Una "mensola" punto a punto in scala N

#149 Messaggio da IpGio »

Ahia... la linea aerea... ahia, ahia... Ed...
Personalmente l'ho abolita dai miei orizzonti ferromodellisti, dopo varie esperienze.
Sarà sicuramente un bell'impianto Ed... grazie per gli aggiornamenti.
Sul PL, si è vero ce ne sono svariati ancora in esercizio come questo, ma vengono gestiti.
Dunque non ti dimenticare gli appositi quadri con pulsante per l'alzamento di emergenza delle sbarre e il blocco dei segnali di protezione del PL.
[253]
[36] IpGio
Giorgio Nihil difficile volenti
N/TT/H0-Ep.III-IT GASTT/FIMF
IpGio I plastici di Gio https://www.gtg3b.it

Avatar utente
Edgardo_Rosatti
Socio GAS TT
Messaggi: 5163
Iscritto il: venerdì 28 ottobre 2011, 0:59
Nome: Edgardo
Regione: Lombardia
Città: Muggiò
Età: 61
Stato: Non connesso

Re: Una "mensola" punto a punto in scala N

#150 Messaggio da Edgardo_Rosatti »

Criss Amon ha scritto: venerdì 25 marzo 2022, 16:42 Ottimo Edgardo!! [104]
Una curiosità: LineaModel è la cooperativa "Il Treno" degli anni novanta? Se sì, attento: sono bellissimi ma delicati. [98]
Ciao!!
No Francesco, è un negozio di modellismo ferroviario "artigianale" toscano che realizza modelli ed accessori in ottone:
www.lineamodel.com
ED

Torna a “SCALA N”